La bomba centrífuga de caja partida S es una bomba centrífuga de doble succión, horizontal, monoetapa, diseñada para transportar agua limpia y fluidos con propiedades físicas y químicas similares al agua, con una temperatura máxima no superior a 80 °C. Es adecuado para el suministro y drenaje de agua en fábricas, minas, zonas urbanas y centrales eléctricas, para drenaje y riego de tierras agrícolas, así como para diversos proyectos de ingeniería hidráulica.
La bomba tipo S es una bomba centrífuga horizontal de dos etapas, monoetapa, de tipo medio abierto, diseñada para transportar agua pura y líquidos con propiedades fisicoquímicas similares al agua, a una temperatura máxima de no más de 80 ° C y adecuada para suministro y drenaje en fábricas, minas, ciudades y centrales eléctricas, drenaje y riego de cultivos agrícolas. Terreno para diversas operaciones hidráulicas.
Las bombas de la serie cumplen con las normas GB/T3216 y GB/T5657.
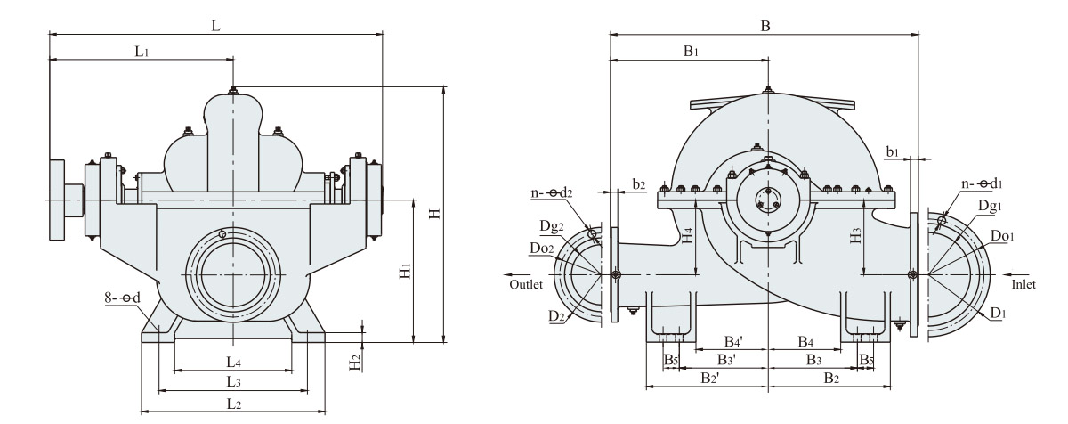
Todas las entradas y salidas de la bomba están ubicadas debajo del eje, horizontal y perpendicular al eje, la carcasa de la bomba se abre en el medio, por lo que no es necesario desmontar las tuberías de entrada y fuente y el motor (u otro motor primario). Desde el punto de vista del embrague, la bomba se mueve en el sentido de las agujas del reloj. La bomba también puede moverse en sentido antihorario, pero se debe prestar especial atención al orden.
Los componentes principales de la bomba: el cuerpo de la bomba (1), la tapa de la bomba (2), el impulsor (3), el eje (4), el anillo de sellado doble absorbente (5), el manguito (6), el cojinete (15), etc., excepto el eje de acero al carbono de alta calidad, el resto son de hierro fundido. Este material puede ser sustituido por otros materiales en diferentes ambientes.
La carcasa de la bomba y la tapa de la bomba forman el estudio del impulsor con orificios roscados en las bridas de entrada y salida para instalar vacuómetros y manómetros, así como para el drenaje debajo de ellos.
El impulsor está calibrado según el equilibrio estático, fijado con la carcasa y la tuerca de la carcasa en ambos lados, con la ayuda de una tuerca se puede ajustar su posición axial y equilibrar la fuerza axial con una ubicación simétrica de las palas, el cojinete axial puede soportar la potencia axial residual.
El eje de la bomba se mantiene mediante dos rodamientos de bolas centrados de una hilera, que están instalados en la carcasa del rodamiento en ambos extremos de la bomba y lubricados con lubricante. El anillo de sellado de doble absorción se utiliza para reducir las fugas en el impulsor. La bomba se controla directamente mediante un acoplamiento elástico. (Si se utiliza un accionamiento de goma, se debe instalar un soporte adicional).
La válvula es una compactadora del relleno, y para enfriar y lubricar la cavidad hermética y evitar que entre aire en la bomba entre los rellenos, hay un anillo de relleno. Durante el funcionamiento de la bomba, una pequeña cantidad de agua a alta presión ingresa a la cavidad de llenado a través de una barba cónica y realiza la función de una compuerta de agua.
1. Montaje de las piezas del rotor: secuencialmente a lo largo del eje de la bomba, el impulsor, el manguito, la tuerca de garra, el prensaestopas, el anillo de aceite, el sello de sal, el sello mecánico, el sello mecánico, el anillo de retención de agua y el cojinete, y luego el embrague.
2. Verifique el anillo exterior sellado del impulsor por separado de la columna de la carcasa del rotor, cuyo latido radial no debe exceder los parámetros indicados en la siguiente tabla.
3. El rotor se instala en la carcasa de la bomba, ajuste el impulsor para que su posición axial esté en el medio del anillo de sellado absorbente doble en ambos lados, luego fíjelo y luego fije la tapa del cojinete con un tornillo fijo.
| Diámetro nominal | <50 | 50~120 | 120~250 | 250~500 | 500~800 | 800~1250 |
| habilidad de salto | 0.03 | 0.04 | 0.05 | 0.06 | 0.08 | 0.10 |
4. Cargue el relleno (si se trata de una compactación del relleno), una almohadilla de papel en el orificio intermedio y la tapa de la bomba, primero apriete el pasador del cono de cola roscado y luego apriete la tuerca de la tapa de la bomba. Coloque la tapa de relleno, pero no la presione demasiado, de lo contrario la funda puede calentarse y dejar más energía; Si se utiliza un sello mecánico, ajuste la capacidad de comprimir el sello mecánico para asegurarse de que no se produzca la fuga.
Una vez completado el montaje, moviendo el eje de la bomba con la mano, debe quedar liso y uniforme y no debe tocarse. El desmontaje se puede realizar en sentido contrario a lo anterior.
1. Compruebe si la bomba y el motor están dañados.
2. La altura de instalación de la bomba en combinación con las pérdidas hidráulicas de la tubería de succión y su velocidad de velocidad, es decir, NPSHA de la unidad, debe ser mayor que NPSHR. El tamaño de la base debe corresponder al tamaño de la instalación de la unidad de bomba.
3. Procedimiento de instalación:
(1) Coloque la bomba sobre la base de concreto usando el perno incorporado en la base, ajuste la horizontal ajustando la colocación de la cuña y apriete correctamente el perno para evitar su desplazamiento.
(2) Vierta hormigón entre los cimientos y las patas de la bomba.
(3) Después de que el concreto se solidifique, apriete los pernos de las patas subterráneas y verifique nuevamente la horizontalidad de la bomba.
(4) Corrija la concentricidad entre la bomba y el eje del motor para que quede en línea recta. La tolerancia permitida para diferentes centricidades de los anillos externos de los dos embragues es de 0,1 mm, mientras que la separación entre un extremo y el desnivel a lo largo de la circunferencia es de 0,3 mm (otra modificación también debe cumplir los requisitos anteriores después de conectar y poner en servicio el suministro de agua).
(5) Después de determinar la dirección de rotación del motor correspondiente a la dirección de rotación de la bomba, se instala el pasador del embrague.
4. Las tuberías de alimentación y salida deben estar sostenidas por soportes separados y no por el cuerpo de la bomba.
5. La conexión entre la bomba y la tubería debe mantener una buena estanqueidad, especialmente la tubería de entrada, que debe garantizarse sin fugas de aire y no puede integrarse en la unidad.
6. Como regla general, si la bomba está instalada por encima del nivel del agua en la entrada de agua, puede instalar la válvula inferior para iniciar la bomba y la inyección de agua, así como usar una bomba de vacío para drenar el agua.
7. Las tuberías de salida de las bombas, por regla general, requieren la instalación de una válvula y una válvula de bloqueo (una elevación de menos de 20 m no requiere instalación), y la válvula de retención se instala detrás de la válvula.
El método de instalación mencionado anteriormente se refiere a bombas que no tienen una base social.
Para bombas con una base convencional entre la base y el concreto, se usa una junta de hierro en forma de cuña para corregir el nivel de la unidad y luego se cementa el concreto entre ellas. El principio de instalación y los requisitos son idénticos a los de las bombas que no tienen una base común.
1. Iniciar y detener
(1) Antes de arrancar el rotor de la bomba en movimiento, los sensores del rotor deben ser ligeros, suaves y uniformes.
(2) Cierre la válvula de escape y llene el agua con una bomba (en ausencia de la válvula inferior, el agua se bombea con una bomba de vacío para la dirección del agua). Asegúrese de que la bomba esté llena de agua y no tenga acceso al aire.
(3) Antes de arrancar el motor, primero apague la aspiradora o la horquilla manómetro, si está instalada en la bomba, conéctela a la bomba y luego encienda la horquilla cuando el motor se mueva a velocidad normal; Luego, la válvula de salida se abre gradualmente, reduciéndola a mayor consumo o, por el contrario, incrementándola o incrementándola.
(4) Apriete uniformemente la tuerca de presión en la tapa de llenado para evitar gotas y preste atención al aumento de temperatura fuera de la cavidad de llenado.
(5) Cuando la bomba se detenga, primero cierre la horquilla de la aspiradora o el manómetro y una válvula en el suministro de agua, y luego apague el motor. A temperatura ambiente baja, abra el tapón cuadrado debajo de la carcasa de la bomba y drene el agua residual para evitar grietas en el hielo.
(6) Durante una parada prolongada, retire la bomba, seque las piezas y aplique grasa anticorrosión a la superficie tratada.
2. Correr
(1) La temperatura máxima del cojinete de la bomba no debe exceder los 75 ° C
(2) El volumen de lubricantes a base de calcio para rodamientos lubricantes es adecuado para mantener entre 1/3 y 1/2 de los espacios en los rodamientos.
(3) Si la tapa de la tapa está ligeramente desgastada, entonces la tapa del sello de aceite se debe presionar adecuadamente, y si el desgaste es demasiado grande, entonces se debe reemplazar la tapa del sello de aceite.
(4) revise periódicamente el embrague elástico y preste atención al aumento de la temperatura de los cojinetes del motor.
(5) Durante el trabajo, cuando escuche ruidos u otros sonidos inusuales, debe detenerse inmediatamente para descubrir la causa y eliminarla.
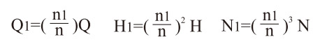
(6) No aumente la velocidad de la bomba arbitrariamente, pero puede reducirla. Por ejemplo, para este tipo de bombas, la velocidad nominal de rotación n, el consumo de Q, la presión H, la potencia del eje N, la velocidad reducida N1, el consumo, la presión y la potencia del eje tras una disminución de la velocidad son Q1, H1 y N1, respectivamente. La transformación se realiza según la siguiente fórmula.
| Falla | Causa | solución de problemas |
| 1. La bomba no aspira agua, salta mucho el indicador de presión y el vacuómetro |
1. El agua de los bosques es insuficiente; 2. La fuga proviene de la tubería o del contador. |
1. Vierta más agua; 2. Apriete o bloquee el lugar de la fuga. |
| 2. La bomba no succiona agua, se muestra un alto vacío en la aspiradora. |
1. La válvula receptora no está abierta ni bloqueada; 2. La resistencia de la tubería de succión es demasiada; 3. Nivel de absorción de agua demasiado alto. |
1. Corrija o reemplace la válvula inferior; 2. Enjuagar o reemplazar la tubería; 3. Reducir la altura |
| 3. El agua no sale de la bomba, la presión se muestra en el manómetro. |
1. Resistencia demasiado alta a la tubería de escape de agua; 2. Dirección de rotación incorrecta; 3. El impulsor está bloqueado; 4. Velocidad de rotación insuficiente. |
1. Verificar o acortar la tubería; 2. Corregir la dirección de rotación del motor. 3. Quítatelo; 4. Verifique el voltaje de suministro y aumente la velocidad. |
| 4. Consumo insuficiente o presión demasiado baja. |
1. Una rueda de trabajo o las tuberías de entrada y salida de agua están cerradas. 2. Hay demasiado desgaste debido al anillo sellador de doble absorción o daño a la rueda de trabajo; 3. La velocidad de rotación está por debajo del valor dado. |
1. Limpiar la rueda o tubería de trabajo; 2. Reemplácelo; 3. Ajústelo a un valor nominal. |
| 5. demasiado consumo de energía por parte de la bomba |
1. El embalaje está demasiado apretado; 2. Fricción entre la rueda de trabajo y el anillo de sellado de doble absorción; 3. El consumo es demasiado grande. |
1. Debilitarlo; 2. Verificar el motivo para eliminarlo; 3. Reducir la apertura de la válvula. |
| Falla | Causa | solución de problemas |
| 6. Un sonido inusual dentro de la bomba, el agua no entra a la bomba. |
1. La resistencia de la tubería de succión es demasiada; 2. Altura de absorción demasiado alta; 3. El aire es aspirado hacia el sitio de succión de agua. 4. La temperatura es demasiado alta al aspirar el líquido; 5. La pérdida de vapor se produce por demasiado consumo. |
1. Preparar la tubería de succión y la válvula inferior; 2. Bájelo; 3. Verifique la válvula inferior, reduzca la altura de la succión, bloquee el lugar de fuga de aire; 4. Montarlo; 5. Ajuste la compuerta de escape de agua para que funcione en el rango de rendimiento establecido. |
| 7. Vibración anormal de la bomba. |
1. En este caso se produce pérdida de vapor; 2. La rueda de trabajo no está equilibrada; 3. Los ejes de la bomba y del motor no son concéntricos; 4. La horquilla de la pierna se debilitó. |
1. Ajuste la válvula para que funcione en un rango de rendimiento determinado; 2. Tome una enmienda estática para la rueda de trabajo; 3. Concentricidad correcta 4. Apriétalo |
| 8. El rodamiento se ha sobrecalentado. |
1. Falta de interior sin aceite; 2. Los ejes de la bomba y el motor no están en la misma línea central. |
1. Revisar y limpiar el alojamiento del cojinete, engrasarlo; 2. Corregir la concentricidad para que ambos queden sobre la misma línea central. |
| 1 | Cuerpo de bomba | 2 | relleno salnico | 3 | Paquete | 4 | anillo de sellado | 5 | Acoplamiento de embalaje | 6 | Manga de embalaje | 7 | Eje |
| 8 | Tapa de bomba | 9 | rueda de trabajo | 10 | Llave |
11 | Anillo de doble absorción | 12 | Mufla con cierre mecánico. | 13 | Impresión mecánica | 14 | Sello de aceite de sellado mecánico |
| 15 | Gaet del acoplamiento | 16 | Sello de aceite del cojinete | 17 | Tornillo de fijación | 18 | Sello de aceite del cuerpo del cojinete | 19 | Caja de rodamientos | 20 | Rodamiento de bolas centrado de un solo poste | 21 | Agarrar |
| tipo de bomba | Consumo Q. | Cabeza (metro) |
velocidad (r/min) |
Potencia (kilovatios) | Eficiencia % |
(NPSH)r (metro) |
Peso (kg) |
||
| (m³/h) | (L/s) | El poder del eje. |
Motor | ||||||
| 150S-100 |
120 160 192 |
33.3 44.4 53.3 |
103 100 92 |
2950 |
48.8 59.7 67.7 |
75 |
69 73 71 |
4.5 | 168 |
| 150S-78 |
126 160 198 |
35.0 44.4 55.0 |
84 78 70 |
2950 |
41.2 45.9 53.1 |
55 |
70 74 71 |
4.5 | 158 |
| 150S-78A |
112 140 180 |
31.1 39 50.0 |
65 60 53.5 |
2950 |
29.1 31.8 37.5 |
45 |
68 72 70 |
4.5 | 158 |
| 150S-50 |
130 160 220 |
36.1 44.4 61.1 |
52 50 40 |
2950 |
25.2 27.6 31.5 |
37 |
73 79 76 |
4.5 | 147 |
| 150S-50A |
112 140 180 |
31.1 38.9 50.0 |
42 39 34 |
2950 |
18.3 19.8 22.8 |
30 |
70 75 73 |
4.5 | 147 |
| 150S-50B |
108 133 160 |
30.0 36.9 44.4 |
38 36 32 |
2950 |
16.9 18.4 19.4 |
22 |
66 71 72 |
4.5 | 147 |
| 200S-95 |
200 280 324 |
55.6 77.8 90.0 |
102 95 85 |
2950 |
81.7 94.0 100.0 |
132 |
68 77 75 |
5 | 240 |
| 200S-95A |
180 268 310 |
50.0 74.4 86.1 |
95 87 78 |
2950 |
71.6 84.6 90.2 |
110 |
65 75 73 |
5 | 240 |
| 200S-95B |
165 245 298 |
45.8 68.1 82.8 |
81 72 60 |
2950 |
56.4 64.9 69.5 |
75 |
64.5 74 70 |
5 | 240 |
| 200S-63 |
216 280 351 |
60.0 77.8 97.5 |
70.4 63 52 |
2950 |
55.9 59.3 69.0 |
75 |
74 81 72 |
5 | 187 |
| 200S-63A |
186 270 332 |
51.7 75.0 92.2 |
56.5 48 38.5 |
2950 |
41.5 45.8 49.0 |
55 |
69 77 71 |
5 | 187 |
| 200S-42 |
216 280 342 |
60.0 77.8 95.0 |
48 42 35 |
2950 |
35.3 37.7 41.0 |
45 |
80 85 79.5 |
5 | 219 |
| 200S-42A |
198 270 310 |
55.0 75.0 86.1 |
43 36 31 |
2950 |
31.3 33.1 34.6 |
37 |
74 80 75.5 |
5 | 219 |
| 250S-65 |
360 485 612 |
100.0 134.7 170.0 |
70 65 54 |
1480 |
91.5 108.6 127.6 |
132 |
75 79 70.5 |
3.8 | 518 |
| 250s-65A |
300 420 535 |
83.3 116.7 148.6 |
53 48 40 |
1480 |
61.8 71.3 79.8 |
90 |
70 77 73 |
3.8 | 518 |
| 250S-39 |
360 485 612 |
100.0 134.7 170.0 |
43 39 32.5 |
1480 |
55.4 62.0 69.4 |
75 |
76 83 78 |
3.8 | 400 |
| 250s-39a |
324 420 576 |
90.0 116.7 160.0 |
31.5 29 22 |
1480 |
38.6 42.5 48.6 |
55 |
72 78 71 |
3.8 | 400 |
| 250S-24 |
360 485 576 |
100.0 134.7 160.0 |
27 24 19 |
1480 |
33.1 36.8 36.3 |
45 |
80 86 82 |
3.8 | 305 |
| 250S-24A |
342 420 482 |
95.0 116.7 133.9 |
22 20 17 |
1480 |
25.9 27.6 27.9 |
37 |
79 83 80 |
3.8 | 305 |
| 250S-14 |
360 485 576 |
100.0 134.7 160.0 |
14 11 |
1480 |
20.8 21.7 22.1 |
30 |
80 85 78 |
3.8 | 305 |
| 250S-14A |
320 420 505 |
88.9 116.7 140.3 |
10 12 10 8.2 |
1480 |
13.2 14.1 14.5 |
18.5 |
79 81 78 |
3.8 | 305 |
| tipo de bomba | Consumo Q. | Cabeza (metro) |
Velocidad (r/min) |
Potencia (kilovatios) | Eficiencia % |
(NPSH)r (metro) |
Peso (kg) |
||
| (m³/h) | (L/s) | El poder del eje. | Motor | ||||||
| 300S-90 |
590 790 936 |
163.9 219.4 260.0 |
95 90 86 |
1480 |
224.4 251.4 277.4 |
315 |
68 77 79 |
4.8 | 950 |
| 300S-90A |
576 756 918 |
160.0 210.0 255.0 |
83 78 72 |
1480 |
200.2 216.9 239.9 |
280 |
65 74 75 |
4.8 | 950 |
| 300S-90B |
546 720 900 |
151.7 200.0 250.0 |
72 67 57 |
1480 |
169.9 185.0 194.0 |
220 |
63 71 72 |
4.8 | 950 |
| 300S-58 |
576 790 972 |
160.0 219.4 270.0 |
65 58 50 |
1480 |
135.9 148.5 165.4 |
185 |
75 84 80 |
4.8 | 599 |
| 300S-58A |
529 735 893 |
146.9 204.2 248.1 |
55 50 42 |
1480 |
110.0 122.0 129.2 |
160 |
72 82 79 |
4.8 | 599 |
| 300S-58B |
504 685 835 |
140.0 190.3 231.9 |
47.2 43 37 |
1480 |
91.2 100.2 109.2 |
132 |
71 80 77 |
4.8 | 599 |
| 300S-32 |
612 790 900 |
170.0 219.4 250.0 |
36.5 32 27.3 |
1480 |
74.2 79.1 83.6 |
90 |
82 87 80 |
4.8 | 709 |
| 300S-32A |
537 700 790 |
149.2 194.4 219.4 |
29 26 22.5 |
1480 |
53.7 59.0 62.0 |
75 |
79 84 78 |
4.8 | 709 |
| 300S-19 |
612 790 935 |
170.0 219.4 259.7 |
22 19 15.5 |
1480 |
45.8 48.4 52.6 |
55 |
80 84.5 75 |
4.8 | 434 |
| 300S-19A |
485 700 798 |
134.7 194.4 221.7 |
18 15 13 |
1480 |
32.1 35.7 37.2 |
45 |
74 80 76 |
4.8 | 434 |
| 300S-12 |
612 790 900 |
170.0 219.4 250.0 |
14.5 12 10 |
1480 |
30.2 31.1 33.1 |
37 |
80 83 74 |
4.8 | 413 |
| 300S-12A |
515 700 785 |
143.1 194.4 218.1 |
11.5 10 9 |
1480 |
22.4 24.4 25.6 |
30 |
72 78 75 |
4.8 | 413 |
| 350S-125 |
850 1260 1660 |
236.1 350.0 461.1 |
135 125 110 |
1480 |
446.3 542.7 685.6 |
710 |
70 79 72.5 |
5.5 | 1580 |
| 350S-125A |
787 1181 1550 |
218.6 328.1 430.6 |
121 112 100 |
1480 |
381.2 461.6 594.3 |
630 |
68 78 71 |
5.5 | 1580 |
| 350S-125B |
700 1098 1350 |
194.4 305.0 375.0 |
104 96 89 |
1480 |
300.3 372.7 448.0 |
500 |
66 77 73 |
5.5 | 1580 |
| 350S-75 |
972 1260 1440 |
270.0 350.0 400.0 |
80 75 69 |
1480 |
264.6 302.6 329.9 |
355 |
80 85 82 |
5.5 | 1200 |
| 350s-75a |
900 1170 1332 |
250.0 325.0 370.0 |
70 65 60 |
1480 |
219.9 252.5 275.4 |
315 |
78 82 79 |
5.5 | 1200 |
| 350s-75B |
800 1080 1200 |
222.2 300.0 333.3 |
60 55 52 |
1480 |
174.2 204.7 220.6 |
280 |
75 79 77 |
5.5 | 1200 |
| 350S-44 |
972 1260 1476 |
270.0 350.0 410.0 |
50 44 37 |
1480 |
163.3 177.6 188.2 |
220 |
81 85 79 |
5.5 | 1105 |
| 350S-44A |
876 1116 1360 |
243.3 310.0 377.8 |
41 36 30 |
1480 |
123.8 131.8 140.6 |
160 |
79 83 79 |
5.5 | 1105 |
| 350S-26 |
972 1260 1440 |
270.0 350.0 400.0 |
29 26 22 |
1480 |
93.6 101.3 102.7 |
132 |
82 88 84 |
5.5 | 672 |
| tipo de bomba | Consumo Q. | Cabeza (metro) |
Velocidad (r/min) |
Potencia (kilovatios) | Eficiencia % |
(NPSH)r (metro) |
Peso (kg) |
||
| (m³/h) | (L/s) | El poder del eje. | Motor | ||||||
| 350s-26A |
840 1130 1260 |
233.3 313.9 350.0 |
24 21 19 |
1480 |
70.4 77.8 81.5 |
90 |
78 83 80 |
5.5 | 672 |
| 350S-16 |
960 1260 1440 |
266.7 350.0 400.0 |
19.5 16 13 |
1480 |
61.4 63.8 67.9 |
75 |
83 86 75 |
5.5 | 632 |
| 350S-16A |
800 1130 1340 |
222.2 313.9 372.2 |
15 12 9.5 |
1480 |
42.4 45.6 48.1 |
55 |
77 81 72 |
5.5 | 632 |
| 400S-90 |
1140 1620 1980 |
316.7 450.0 550.0 |
102 90 78 |
1480 |
403.2 461.5 512.7 |
560 |
78.5 86 82 |
7.9 | 1450 |
| 400S-90A |
1020 1460 1850 |
283.3 405.6 5139 |
89 78 66 |
1480 |
320.9 369.1 415.5 |
450 |
77 84 80 |
7.9 | 1450 |
| 400S-90B |
960 1330 1720 |
266.7 369.4 477.8 |
78 68 56 |
1480 |
268.2 300.2 336.2 |
400 |
76 82 78 |
7.9 | 1450 |
| 400S-40 |
800 1080 1320 |
222.2 300.0 366.7 |
45 40 32 |
970 |
124.1 140.0 149.3 |
185 |
79 84 77 |
4.9 | 1800 |
| 400S-40A |
720 960 1150 |
200.0 266.7 319.4 |
39.5 35 29.5 |
970 |
100.5 111.5 121.5 |
160 |
77 82 76 |
4.9 | 1800 |
| 500S-98 |
1620 2020 2340 |
450.0 561.1 650.0 |
104.5 98 92 |
970 |
598.5 673.6 741.8 |
800 |
77 80 79 |
6 | 2360 |
| 500S-98A |
1500 1872 2170 |
416.7 520.0 602.8 |
88 83 77 |
970 |
479.1 535.4 583.1 |
630 |
75 79 78 |
6 | 2360 |
| 500S-98B |
1400 1746 2020 |
388.9 485.0 561.1 |
79 74 71 |
970 |
401.4 448.1 500.5 |
560 |
75 78.5 78 |
6 | 2360 |
| 500S-59 |
1620 2020 2340 |
450.0 561.1 650.0 |
64 59 53 |
970 |
357.3 390.9 422.0 |
450 |
79 83 80 |
6 | 2150 |
| 500S-59A |
1500 1872 2170 |
416.7 520.0 602.8 |
53 49 45 |
970 |
288.6 316.1 345.2 |
400 |
75 79 77 |
6 | 2150 |
| 500S-59B |
1400 1746 2020 |
388.9 485.0 561.1 |
43 40 36.5 |
970 |
227.6 250.2 267.6 |
315 |
72 76 75 |
6 | 2150 |
| 500S-35 |
1620 2020 2340 |
450.0 561.1 650.0 |
40 35 30.5 |
970 |
207.5 218.7 228.6 |
280 |
85 88 85 |
6 | 1600 |
| 500S-35A |
1400 1746 2020 |
388.9 485.0 561.1 |
30 27 24 |
970 |
139.4 151.0 159.0 |
220 |
82 85 83 |
6 | 1600 |
| 500S-22 |
1620 2020 2340 |
450.0 561.1 650.0 |
24.5 22 19.4 |
970 |
136.8 144.0 145.4 |
160 |
79 84 85 |
6 | 1722 |
| 500S-22A |
1400 1746 2020 |
388.9 485.0 561.1 |
19 17 15 |
970 |
97.9 101.0 101.8 |
132 |
74 80 81 |
6 | 1722 |
| 500S-13 |
1620 2020 2340 |
450.0 561.1 650.0 |
15 13 10 |
970 |
82.7 86.1 81.7 |
110 |
80 83 78 |
6 | 1730 |
| 600S-100 |
2160 3170 3600 |
600.0 880.6 1000.0 |
110 100 92 |
970 |
829.2 1015.2 1073.3 |
1400 |
78 85 84 |
6 | 7200 |
| 600S-100A |
1980 3000 3240 |
550.0 833.3 900.0 |
100 90 85 |
970 |
700.0 875.0 914.3 |
1120 |
77 84 82 |
6 | 7200 |
| tipo de bomba | Consumo Q. | Cabeza (metro) |
Velocidad (r/min) |
Potencia (kilovatios) | Eficiencia % |
(NPSH)r (metro) |
Peso (kg) |
||
| (m³/h) | (L/s) | El poder del eje. | Motor | ||||||
| 600S-100B |
1800 2830 3060 |
500.0 786.1 850.0 |
90 80 75 |
970 |
588.0 751.6 780.9 |
1000 |
75 82 80 |
6 | 7200 |
| 600S-75 |
2160 3170 3600 |
600.0 880.6 1000.0 |
84 75 68 |
970 |
633.2 761.4 802.9 |
900 |
78 85 83 |
7.5 | 2600 |
| 600S-75A |
1980 2880 3240 |
550.0 800.0 900.0 |
68 62 58 |
970 |
488.7 607.6 655.8 |
800 |
75 80 78 |
7.5 | 2600 |
| 600S-75B |
1750 2650 3150 |
486.1 736.1 875.0 |
60 55 50 |
970 |
408.3 508.7 579.4 |
630 |
70 78 74 |
7.5 | 2600 |
| 600S-47 |
2160 3170 3600 |
600.0 880.6 1000.0 |
54 47 43 |
970 |
401.9 460.9 507.7 |
560 |
79 88 83 |
7.5 | 2800 |
| 600S-47A |
1980 2920 3240 |
550.0 811.1 900.0 |
45 40 37 |
970 |
311.0 369.7 398.0 |
450 |
78 82 |
7.5 | 2800 |
| 600S-32 |
2160 3170 3600 |
600.0 880.6 1000.0 |
36 32 29 |
970 |
271.4 313.8 334.4 |
400 |
78 88 85 |
7.5 | 2300 |
| 600S-32A |
2000 2880 3240 |
555.6 800.0 900.0 |
30 27 25 |
970 |
214.9 246.1 262.5 |
280 |
76 86 84 |
7.5 | 2300 |
| 600S-32B |
1800 2628 3000 |
500.0 730.0 833.3 |
24.5 22 20 |
970 |
164.5 187.4 199.2 |
250 |
73 84 82 |
7.5 | 2300 |
| 600S-22 |
2520 3170 3600 |
700.0 880.6 1000.0 |
25 22 19 |
970 |
204.2 215.7 227.1 |
250 |
84 88 82 |
7 | 2300 |
| 600S-22A |
2160 2880 3240 |
600.0 800.0 900.0 |
21 18 16 |
970 |
152.4 162.2 170.0 |
185 |
81 87 83 |
7 | 2300 |
| 800S-22 |
4320 5500 6480 |
1200.0 1527.8 1800.0 |
25 22 19 |
730 |
358.5 370.1 389.7 |
450 |
82 89 86 |
7 | 3800 |
|
3000 4400 5040 |
8333 1222.2 1400.0 |
16 14 12.5 |
585 |
163.3 190.6 201.8 |
250 |
80 88 85 |
5 | 3800 | |
| 800S-22A |
3960 4830 5500 |
1100.0 1341.7 1527.8 |
19 17 15 |
730 |
246.8 254.0 261.1 |
315 |
83 88 86 |
7 | 3800 |
|
2800 3870 4500 |
777.8 1075.0 1250.0 |
12.5 11 9.5 |
585 |
119.1 133.2 138.5 |
185 |
80 87 84 |
5 | 3800 | |
| 800S-32 |
4320 5500 6480 |
1200.0 1527.8 1800.0 |
35 32 29 |
730 |
502.0 538.3 588.0 |
630 |
82 89 87 |
7 | 4900 |
|
3000 4400 5200 |
833.3 12222 1444.4 |
23 20 17 |
585 |
234.8 272.2 283.1 |
315 |
80 88 85 |
4.5 | 4900 | |
| 800S-32A |
3500 4950 6000 |
972.2 1375.0 1666.7 |
29.5 26 23 |
730 |
351.3 398.1 436.8 |
500 |
80 88 86 |
7 | 4900 |
|
2700 3960 4680 |
750.0 1100.0 1300.0 |
19 16.5 14 |
585 |
174.6 204.4 212.3 |
250 |
80 87 84 |
4.5 | 4900 | |
| 800S-47 |
4320 5500 6480 |
1200.0 1527.8 1800.0 |
51 47 42 |
730 |
722.6 781.9 841.9 |
1000 |
83 90 88 |
6.5 | 5000 |
|
3000 4400 5200 |
833.3 1222.2 1444.4 |
35 30 26 |
585 |
357.3 403.7 428.0 |
500 |
80 89 86 |
4 | 5000 | |
| 800s-47a |
3500 5070 6000 |
972.2 1408.3 1666.7 |
45 40 36 |
730 |
529.3 620.3 683.7 |
710 |
81 89 86 |
6.5 | 5000 |
|
2800 4060 4800 |
777.8 1127.8 1333.3 |
30 25 22 |
585 |
285.8 314.0 334.3 |
355 |
80 88 86 |
4 | 5000 | |
| tipo de bomba | Consumo Q. |
Cabeza (metro) |
Velocidad (r/min) |
Potencia (kilovatios) | Eficiencia % |
(NPSH)r (metro) |
Peso (kg) |
||
| (m³/h) | (L/s) | El poder del eje. | Motor | ||||||
| 800S-70 |
6100 8100 9300 |
1694.4 2250.0 2583.3 |
90 83 75 |
730 |
1868.1 2153.1 2260.4 |
2500 |
80 85 84 |
9 | 8000 |
| 800S-70A |
5800 7700 8800 |
1611.1 2138.9 2444.4 |
82 75 68.5 |
730 |
1628.5 1871.5 2001.2 |
2240 |
79.5 84 82 |
9 | 8000 |
| 800S-70B |
5500 7300 8400 |
1527.8 2027.8 2333.3 |
73.5 68 62 |
730 |
1393.0 1628.1 1772.2 |
1800 |
79 83 80 |
9 | 8000 |
| 800S-76 |
4000 5500 6500 |
1111.1 1527.8 1805.6 |
80 76 71 |
730 |
1102.7 1293.1 1444.0 |
1600 |
79 88 87 |
6 | 7550 |
|
3000 4400 5500 |
833.3 1222.2 1527.8 |
54 49 43 |
585 |
551.3 674.6 757.4 |
800 |
80 87 85 |
4 | 7550 | |
| 800S-76A |
3500 5080 6000 |
972.2 1411.1 1666.7 |
69 65 61 |
730 |
832.2 1033.2 1186.1 |
1250 |
79 87 84 |
6 | 7550 |
|
2800 4070 5000 |
777.8 1130.6 1388.9 |
46.5 42 37 |
585 |
448.6 541.1 606.8 |
630 |
79 86 83 |
4 | 7550 | |
| 800S-76B |
3000 4680 5500 |
833.3 1300.0 1527.8 |
59 55 51 |
730 |
642.4 824.4 920.0 |
1000 |
75 85 83 |
6 | 7550 |
|
2500 3750 4500 |
694.4 1041.7 1250.0 |
39 35 31 |
585 |
349.2 425.3 468.8 |
500 |
76 84 81 |
4 | 7550 | |
| 800S-105 |
3850 5500 6600 |
1069.4 1527.8 1833.3 |
110 105 100 |
730 |
1441.1 1807.0 2089.1 |
2500 |
80 87 86 |
6.5 | 8000 |
| 900S-23 |
6200 8280 9432 |
1722.2 2300.0 2620.0 |
28 23 19.5 |
730 |
590.7 602.8 610.6 |
710 |
80 86 82 |
9.3 | 6000 |
| 1000S-36 |
7920 9900 11380 |
2200.0 2750.0 3161.1 |
40 36 33 |
495 |
1039.0 1102.5 1202.7 |
1250 |
83 88 85 |
7.8 | 13000 |
| 1200S-24 |
8400 12000 14400 |
2333.3 3333.3 4000.0 |
28 24 18.5 |
590 |
748.8 901.1 906.5 |
1250 |
85.5 87 80 |
7.7 | 9000 |
| 1200S-39 |
7200 9000 10800 |
2000.0 2500.0 3000.0 |
42.5 39 33 |
500 |
1015.9 1085.8 1155.0 |
1250 |
82 88 84 |
5.5 | - |
| 1200s-39a |
6480 8100 9720 |
1800.0 2250.0 2700.0 |
38.5 35 29.5 |
500 |
848.9 892.2 940.4 |
1120 |
80 86.5 83 |
5.5 | - |
| 1200s-39B |
5832 7290 8748 |
1620.0 2025.0 2430.0 |
34 31 26 |
500 |
674.7 715.3 755.1 |
900 |
80 86 82 |
5.5 | - |
| 1200S-56 |
8640 10800 12960 |
2400.0 3000.0 3600.0 |
60 56 49 |
600 |
1721.0 1870.9 2033.8 |
2240 |
82 88 85 |
7.5 | - |
| 1200S-56A |
7776 9720 11664 |
2160.0 2700.0 3240.0 |
54 50 42 |
600 |
1411.2 1520.7 1606.7 |
2000 |
81 87 83 |
7.5 | - |
| 1200S-56B |
7000 8750 10500 |
1944.4 2430.6 2916.7 |
48 44 3/27 |
600 |
1143.3 1218.7 1289.7 |
1600 |
80 86 82 |
7.5 | - |
| 1200S-76 |
8640 10800 12960 |
2400.0 3000.0 3600.0 |
81.5 76 65 |
730 |
2216.0 2482.7 2620.8 |
2800 |
86.5 90 87.5 |
9 | 13000 |
| 1200S-76A |
7776 9720 11664 |
2160.0 2700.0 3240.0 |
6a 0+ 55 |
730 |
1703.5 1924.4 2054.5 |
2240 |
84.5 88 85 |
9 | 13000 |
| 1200S-76B |
7000 8750 10500 |
1944.4 2430.6 2916.7 |
55 52 45 |
730 |
1270.4 1440.2 1531.3 |
1600 |
82.5 86 84 |
9 | 13000 |
| Tipo | Las dimensiones de la figura de la bomba. | Las dimensiones de la brida de entrada. | Las dimensiones de la brida de salida. | |||||||||||||||||||||||||
| L | L1 | L2 | L3 | L4 | B | B1 | B2 | B3 | B3' | B4 | B4' | H | H1 | H2 | H3 | H4 | 4-φd | Dg1 | hacer1 | D1 | B1 | n-φd1 | DG2 | Do2 | D2 | B2 | n-φd2 | |
| 150S-100 | 740.5 | 410 | 330 | 280 | 190 | 550 | 250 | 330 | 280 | — | 190 | — | 490 | 285 | 25 | 140 | 170 | 4-F18 | 150 | 240 | 285 | 26 | 8-F23 | 100 | 180 | 220 | 24 | 8-F19 |
| 150S-78 | 713.5 | 397 | 330 | 280 | 190 | 550 | 250 | 330 | 280 | — | 190 | — | 472.5 | 285 | 25 | 140 | 155 | 4-F18 | 150 | 240 | 285 | 26 | 8-F23 | 100 | 180 | 220 | 24 | 8-F19 |
| 150S-78A | ||||||||||||||||||||||||||||
| 150S-50 | 713.5 | 397 | 330 | 280 | 190 | 550 | 250 | 330 | 280 | — | 190 | — | 455 | 285 | 25 | 140 | 140 | 4-F18 | 150 | 240 | 285 | 26 | 8-F23 | 100 | 180 | 220 | 24 | 8-F19 |
| 150S-50A | ||||||||||||||||||||||||||||
| 150S-50B | ||||||||||||||||||||||||||||
| 200S-95 | 850.5 | 475 | 330 | 280 | 190 | 680 | 330 | 330 | 280 | — | 190 | — | 555 | 355 | 25 | 170 | 170 | 4-F18 | 200 | 295 | 340 | 24 | 8-F23 | 125 | 210 | 250 | 22 | 8-F19 |
| 200S-95A | ||||||||||||||||||||||||||||
| 200S-95B | ||||||||||||||||||||||||||||
| 200S-63 | 743.5 | 409 | 330 | 280 | 190 | 620 | 300 | 330 | 280 | — | 190 | — | 547 | 355 | 25 | 170 | 170 | 4-F18 | 200 | 295 | 340 | 24 | 8-F23 | 150 | 240 | 285 | 24 | 8-F23 |
| 200S-63A | ||||||||||||||||||||||||||||
| 200S-42 | 743.5 | 409 | 330 | 280 | 190 | 620 | 300 | 330 | 280 | — | 190 | — | 547 | 355 | 25 | 170 | 170 | 4-F18 | 200 | 295 | 340 | 24 | 8-F23 | 150 | 240 | 285 | 24 | 8-F23 |
| 200S-42A | ||||||||||||||||||||||||||||
| 250S-65 | 1100.5 | 612 | 510 | 450 | 330 | 880 | 400 | 620 | 550 | — | 430 | — | 856 | 510 | 40 | 240 | 300 | 4-F27 | 250 | 350 | 395 | 28 | 12-F23 | 150 | 240 | 285 | 26 | 8-F23 |
| 250s-65A | ||||||||||||||||||||||||||||
| 250S-39 | 983.5 | 549 | 410 | 350 | 230 | 890 | 440 | 510 | 450 | — | 330 | — | 750 | 450 | 30 | 200 | 260 | 4-F27 | 250 | 350 | 395 | 28 | 12-F23 | 200 | 295 | 340 | 26 | 8-F23 |
| 250s-39a | ||||||||||||||||||||||||||||
| 250S-24 | 983.5 | 517 | 410 | 350 | 230 | 850 | 400 | 510 | 450 | — | 330 | — | 738 | 4450 | 30 | 210 | 215 | 4-F27 | 250 | 350 | 395 | 28 | 12-F23 | 200 | 295 | 340 | 26 | 8-F23 |
| 250S-24A | ||||||||||||||||||||||||||||
| 250S-14 | 892.5 | 485 | 410 | 350 | 230 | 745 | 330 | 510 | 450 | — | 330 | — | 709 | 450 | 30 | 210 | 215 | 4-F27 | 250 | 350 | 395 | 28 | 12-F23 | 200 | 295 | 340 | 26 | 8-F23 |
| 250S-14A | ||||||||||||||||||||||||||||
| Tipo | Las dimensiones de la figura de la bomba. | Las dimensiones de la brida de entrada. | Las dimensiones de la brida de salida. | |||||||||||||||||||||||||
| L | L1 | L2 | L3 | L4 | B | B1 | B2 | B3 | B3' | B4 | B4' | H | H1 | H2 | H4 | 4-φd | Dg1 | hacer1 | D1 | B1 | n-φd1 | DG2 | Do2 | D2 | B2 | n-φd2 | ||
| 300S-90 | 1185 | 660 | 510 | 450 | 330 | 1046 | 470 | 620 | 550 | — | 420 | — | 898 | 510 | 40 | 268 | 325 | 4-F27 | 300 | 400 | 440 | 28 | 12-F23 | 200 | 295 | 340 | 26 | 8-F23 |
| 300S-90A | ||||||||||||||||||||||||||||
| 300S-90B | ||||||||||||||||||||||||||||
| 300S-58 | 1140 | 630 | 510 | 450 | 330 | 1070 | 530 | 620 | 550 | — | 430 | — | 852 | 510 | 40 | 240 | 310 | 4-F27 | 300 | 400 | 445 | 28 | 12-F23 | 250 | 350 | 395 | 28 | 12-F23 |
| 300S-58A | ||||||||||||||||||||||||||||
| 300S-58B | ||||||||||||||||||||||||||||
| 300S-32 | 1100 | 605 | 510 | 450 | 330 | 880 | 410 | 620 | 550 | — | 430 | — | 824 | 510 | 40 | 260 | 270 | 4-F27 | 300 | 400 | 445 | 28 | 12-F23 | 250 | 350 | 395 | 28 | 12-F23 |
| 300S-32A | ||||||||||||||||||||||||||||
| 300S-19 | 978.5 | 537 | 510 | 450 | 330 | 900 | 400 | 620 | 550 | — | 430 | — | 808 | 510 | 40 | 250 | 260 | 4-F27 | 300 | 400 | 445 | 28 | 12-F23 | 250 | 350 | 395 | 28 | 12-F23 |
| 300S-19A | ||||||||||||||||||||||||||||
| 300S-12 | 1009 | 552 | 510 | 450 | 330 | 1000 | 500 | 620 | 550 | — | 430 | — | 808 | 510 | 40 | 265 | 265 | 4-F27 | 300 | 400 | 445 | 28 | 12-F23 | 300 | 400 | 445 | 28 | 12-F23 |
| 300S-12A | ||||||||||||||||||||||||||||
| 350S-125 | 1431 | 801 | 580 | 500 | 360 | 1210 | 550 | 680 | 600 | — | 450 | — | 1080 | 620 | 50 | 330 | 410 | 4-F34 | 350 | 460 | 505 | 30 | 16-F23 | 200 | 295 | 340 | 26 | 12-F23 |
| 350S-125A | ||||||||||||||||||||||||||||
| 350S-125B | ||||||||||||||||||||||||||||
| 350S-75 | 1272 | 710 | 600 | 500 | 360 | 1250 | 600 | 690 | 600 | — | 450 | — | 1017 | 620 | 50 | 274 | 356 | 4-F34 | 350 | 460 | 505 | 30 | 16-F23 | 250 | 350 | 395 | 28 | 12-F23 |
| 350s-75a | ||||||||||||||||||||||||||||
| 350s-75B | ||||||||||||||||||||||||||||
| 350S-44 | 1233 | 675 | 580 | 500 | 360 | 1040 | 460 | 680 | 600 | — | 450 | — | 980 | 620 | 50 | 290 | 300 | 4-F34 | 350 | 460 | 505 | 30 | 16-F23 | 300 | 400 | 445 | 28 | 12-F23 |
| 350S-44A | ||||||||||||||||||||||||||||
| 350S-26 | 1171 | 642 | 580 | 500 | 360 | 1040 | 460 | 680 | 600 | — | 450 | — | 963 | 620 | 50 | 290 | 300 | 4-F34 | 350 | 460 | 505 | 30 | 16-F23 | 300 | 400 | 445 | 28 | 12-F23 |
| 350s-26A | ||||||||||||||||||||||||||||
| 350S-16 | 1129 | 622 | 580 | 500 | 360 | 1168 | 584 | 680 | 600 | — | 450 | — | 970 | 620 | 50 | 310 | 310 | 4-F34 | 350 | 460 | 505 | 30 | 16-F23 | 350 | 460 | 505 | 30 | 16-F23 |
| 350S-16A | ||||||||||||||||||||||||||||
| Tipo | Las dimensiones de la figura de la bomba. | Las dimensiones de la brida de entrada. | Las dimensiones de la brida de salida. | |||||||||||||||||||||||||
| L | L1 | L2 | L3 | L4 | B | B1 | B2 | B3 | B3' | B4 | B4' | H | H1 | H2 | H3 | H4 | 4-φd | Dg1 | hacer1 | D1 | B1 | n-φd1 | DG2 | Do2 | D2 | B2 | n-φd2 | |
| 400S-90 | 1747 | 907 | 820 | 700 | 480 | 1645 | 900 | 900 | 700 | — | 500 | — | 1130 | 670 | 40 | 372 | 482 | 4-F35 | 400 | 515 | 565 | 32 | 16-F28 | 350 | 460 | 505 | 30 | 16-F23 |
| 400S-90A | ||||||||||||||||||||||||||||
| 400S-90B | ||||||||||||||||||||||||||||
| 400S-40 | 1747 | 907 | 820 | 700 | 480 | 1645 | 900 | 900 | 700 | — | 500 | — | 1130 | 670 | 40 | 372 | 482 | 4-F35 | 400 | 515 | 565 | 32 | 16-F28 | 350 | 460 | 505 | 30 | 16-F23 |
| 400S-40A | ||||||||||||||||||||||||||||
| 500S-98 | 1639.5 | 912 | 760 | 580 | 420 | 1550 | 750 | 1020 | 800 | — | 580 | — | 1381 | 800 | 55 | 425 | 545 | 4-F41 | 500 | 620 | 670 | 34 | 20-F28 | 300 | 410 | 460 | 32 | 12-F28 |
| 500S-98A | ||||||||||||||||||||||||||||
| 500S-98B | ||||||||||||||||||||||||||||
| 500S-59 | 1639.5 | 907 | 760 | 580 | 420 | 1640 | 810 | 1020 | 800 | — | 580 | — | 1300 | 800 | 55 | 370 | 480 | 4-F41 | 500 | 620 | 670 | 34 | 20-F28 | 350 | 460 | 505 | 30 | 16-F23 |
| 500S-59A | ||||||||||||||||||||||||||||
| 500S-59B | ||||||||||||||||||||||||||||
| 500S-35 | 1363.5 | 756 | 760 | 580 | 420 | 1350 | 630 | 1020 | 800 | — | 580 | — | 1270 | 800 | 55 | 415 | 415 | 4-F41 | 500 | 620 | 670 | 34 | 20-F28 | 350 | 460 | 505 | 30 | 16-F23 |
| 500S-35A | ||||||||||||||||||||||||||||
| 500S-22 | 1396.5 | 770 | 760 | 580 | 420 | 1460 | 640 | 1020 | 800 | — | 580 | — | 1266 | 800 | 55 | 410 | 410 | 4-F41 | 500 | 620 | 670 | 34 | 20-F28 | 400 | 515 | 565 | 32 | 16-F28 |
| 500S-22A | ||||||||||||||||||||||||||||
| 500S-13 | 1308.5 | 714.5 | 760 | 580 | 420 | 1550 | 775 | 1020 | 800 | — | 580 | — | 1251 | 800 | 55 | 410 | 410 | 4-F41 | 500 | 620 | 670 | 34 | 20-F28 | 500 | 620 | 670 | 34 | 20-F28 |
| 600S-100 | 1935 | 1100 | 960 | 760 | 560 | 1900 | 900 | 1300 | 1000 | — | 700 | — | 1610 | 950 | 55 | 530 | 590 | 4-F42 | 600 | 725 | 780 | 36 | 20-F31 | 400 | 525 | 580 | 38 | 16-F31 |
| 600S-100A | ||||||||||||||||||||||||||||
| 600S-100B | ||||||||||||||||||||||||||||
| 600S-75 | 1694.5 | 940 | 940 | 760 | 600 | 1900 | 940 | 1020 | 800 | — | 580 | — | 1550 | 950 | 55 | 425 | 555 | 4-F41 | 600 | 725 | 780 | 36 | 20-F31 | 400 | 515 | 565 | 32 | 16-F28 |
| 600S-75A | ||||||||||||||||||||||||||||
| 600S-47 | 1694.5 | 940 | 940 | 760 | 600 | 1595 | 745 | 1020 | 800 | — | 580 | — | 1505 | 950 | 55 | 490 | 490 | 4-F41 | 600 | 725 | 780 | 36 | 20-F31 | 400 | 515 | 565 | 32 | 16-F28 |
| Tipo | Las dimensiones de la figura de la bomba. | Las dimensiones de la brida de entrada. | Las dimensiones de la brida de salida. | |||||||||||||||||||||||||
| L | L1 | L2 | L3 | L4 | B | B1 | B2 | B3 | B3' | B4 | B4' | H | H1 | H2 | H3 | H4 | 4-φd | Dg1 | hacer1 | D1 | B1 | n-φd1 | DG2 | Do2 | D2 | B2 | n-φd2 | |
| 600S-32 | 1627.5 | 900 | 940 | 760 | 600 | 1600 | 750 | 1020 | 800 | — | 580 | — | 1490 | 950 | 55 | 480 | 480 | 4-F41 | 600 | 725 | 780 | 36 | 20-F31 | 500 | 620 | 670 | 34 | 20-F28 |
| 600S-32A | ||||||||||||||||||||||||||||
| 600S-32B | ||||||||||||||||||||||||||||
| 600S-22 | 1466.5 | 805 | 940 | 760 | 600 | 1790 | 840 | 1020 | 800 | — | 580 | — | 1476 | 950 | 55 | 460 | 460 | 4-F41 | 600 | 725 | 780 | 36 | 20-F31 | 500 | 620 | 670 | 34 | 20-F28 |
| 600S-22A | ||||||||||||||||||||||||||||
| 800S-105 | 2435 | 1367.5 | 1300 | 1000 | 700 | 2400 | 1100 | 1700 | 1350 | — | 1000 | — | 2190 | 1250 | 55 | 700 | 800 | 4-F58 | 800 | 950 | 1015 | 44 | 24-F33 | 600 | 770 | 840 | 48 | 20-F37 |
| 800S-76 | 2271 | 1270 | 1300 | 1000 | 700 | 2350 | 1150 | 1700 | 1350 | — | 1000 | — | 2105 | 1250 | 55 | 700 | 745 | 4-F58 | 800 | 950 | 1015 | 44 | 24-F33 | 600 | 725 | 780 | 36 | 20-F30 |
| 800S-70 | 2550 | 1445 | 1300 | 1000 | 700 | 2385 | 1100 | 1700 | 1350 | — | 1000 | — | 2200 | 1250 | 55 | 700 | 880 | 4-F58 | 800 | 950 | 1015 | 44 | 24-F34 | 600 | 725 | 780 | 36 | 20-F31 |
| 800S-47 | 2315 | 1300 | 1200 | 1000 | 800 | 2025 | 875 | 1200 | 900 | 600 | 2074 | 1200 | 55 | 660 | 660 | 4-F42 | 800 | 950 | 1015 | 44 | 24-F33 | 600 | 725 | 780 | 36 | 20-F30 | ||
| 800S-32 | 3750 | 2050 | 1200 | 1000 | 800 | 2150 | 1000 | 1200 | 900 | — | 600 | — | 2044 | 1200 | 55 | 660 | 660 | 4-F42 | 800 | 950 | 1015 | 44 | 24-F33 | 600 | 725 | 780 | 36 | 20-F30 |
| 800S-22 | 2100 | 1244 | 1200 | 1000 | 800 | 2150 | 1000 | 1200 | 900 | — | 600 | — | 2014 | 1200 | 55 | 660 | 660 | 4-F42 | 800 | 950 | 1015 | 44 | 24-F33 | 600 | 725 | 780 | 36 | 20-F30 |
| 900S-23 | 2730 | 1350 | 1200 | 1000 | 700 | 2400 | 840 | 1200 | 900 | — | 600 | — | 2400 | 1400 | 60 | 840 | 760 | 4-F42 | 900 | 1050 | 1115 | 44 | 28-F34 | 700 | 840 | 895 | 40 | 24-F31 |
| 1000S-36 | 3550 | 2000 | 1550 | 1400 | 1000 | 2900 | 1360 | 1900 | 1200 | — | 900 | — | 2750 | 1600 | 70 | 860 | 760 | 4-F42 | 1000 | 1160 | 1230 | 50 | 28-F37 | 800 | 950 | 1015 | 44 | 24-F34 |
| Tipo | Las dimensiones de la figura de la bomba. | Las dimensiones de la brida de entrada. | Las dimensiones de la brida de salida. | ||||||||||||||||||||||||||||
| L | L1 | L2 | L3 | L4 | B | B1 | B2 | B2' | B3 | B3' | B4 | B4' | B5 | B5' | H | H1 | H2 | H3 | H4 | 4-φd | Dg1 | hacer1 | D1 | B1 | n-φd1 | DG2 | Do2 | D2 | B2 | n-φd2 | |
| 1200S-24 | 2480 | 1370 | 1450 | 1200 | 950 | 3000 | 1400 | 1000 | 1000 | 700 | 700 | 600 | 600 | 200 | 200 | 2700 | 1700 | 60 | 850 | 975 | 8-F42 | 1200 | 1380 | 1455 | 56 | 32-F40 | 1000 | 1160 | 1230 | 50 | 28-F37 |
| 1200S-39 | 3295 | 1700 | 1680 | 1250 | 900 | 2800 | 1250 | 1100 | 1100 | 875 | 875 | 790 | 790 | 150 | 150 | 2700 | 1650 | 80 | 870 | 1020 | 8-F48 | 1200 | 1380 | 1455 | 56 | 32-F40 | 1000 | 1160 | 1230 | 50 | 28-F37 |
| 1200s-39a | |||||||||||||||||||||||||||||||
| 1200s-39B | |||||||||||||||||||||||||||||||
| 1200S-56 | 3295 | 1700 | 1680 | 1250 | 900 | 2800 | 1250 | 1100 | 1100 | 875 | 875 | 790 | 790 | 150 | 150 | 2700 | 1650 | 80 | 870 | 1020 | 8-F48 | 1200 | 1380 | 1455 | 56 | 32-F40 | 1000 | 1160 | 1230 | 50 | 28-F37 |
| 1200S-56A | |||||||||||||||||||||||||||||||
| 1200S-56B | |||||||||||||||||||||||||||||||
| 1200S-76 | 2840 | 1500 | 1750 | 1500 | 1250 | 2800 | 1250 | 1100 | 900 | 850 | 650 | 750 | 550 | 150 | 150 | 2700 | 1650 | 80 | 870 | 950 | 8-F48 | 1200 | 1380 | 1455 | 56 | 32-F40 | 1000 | 1160 | 1230 | 50 | 28-F37 |
| 1200S-76A | |||||||||||||||||||||||||||||||
| 1200S-76B | |||||||||||||||||||||||||||||||
| Tipo | C | Motor | Tamaño del motor | Tamaño de la base |
E | H1 | L | t | Brida de tubería gloric | |||||||||||||
| tipo de motor | Fuerza (kilovatios) |
Voltaje (V) |
L1 | h | H | L2 | L3 | L4 | P | B | n1-φd1 | D2 | Do2 | DG2 | B2 | n2-φd2 | ||||||
| 150S-100 | 4 | Y280S-2 | 75 | 380 | 1000 | 640 | 280 | 550 | 550 | 1375 | 75 | 457 | 6-F20 | 300 | 425 | 1723 | 350 | 150 | 280 | 240 | 24 | 8-F23 |
| 150S-78 | 4 | Y250M-2 | 55 | 380 | 930 | 575 | 250 | 520 | 520 | 1294 | 75 | 406 | 6-F20 | 300 | 425 | 1640 | 350 | 150 | 280 | 240 | 24 | 8-F23 |
| 150S-78A | 4 | Y225M-2 | 45 | 380 | 815 | 530 | 225 | 480 | 480 | 1195 | 356 | 1525 | ||||||||||
| 150S-50 | 4 | Y200L2-2 | 37 | 380 | 775 | 475 | 200 | 470 | 470 | 1170 | 100 | 380 | 6-F20 | 300 | 425 | 1484 | 350 | 150 | 280 | 240 | 24 | 8-F23 |
| 150S-50A | 4 | Y200L1-2 | 30 | 380 | 775 | 475 | 200 | 470 | 470 | 1170 | 1484 | |||||||||||
| 150S-50B | 4 | Y180M-2 | 22 | 380 | 670 | 430 | 180 | 450 | 450 | 1095 | 1379 | |||||||||||
| 200S-63 | 4 | Y280S-2 | 75 | 380 | 1000 | 640 | 280 | 570 | 570 | 1372 | 75 | 457 | 6-F20 | 350 | 495 | 1750 | 350 | 200 | 335 | 295 | 26 | 8-F23 |
| 200S-63A | 4 | Y250M-2 | 55 | 380 | 930 | 575 | 250 | 550 | 550 | 1308 | 406 | 1680 | ||||||||||
| 200S-42 | 4 | Y225M-2 | 45 | 380 | 815 | 530 | 225 | 460 | 460 | 1212 | 75 | 400 | 6-F20 | 350 | 495 | 1564 | 350 | 200 | 335 | 295 | 26 | 8-F23 |
| 200S-42A | 4 | Y200L2-2 | 37 | 380 | 775 | 475 | 200 | 480 | 480 | 1184 | 280 | 1524 | ||||||||||
| 250S-39 | 4 | Y280S-4 | 75 | 380 | 1000 | 640 | 280 | 620 | 620 | 1565 | 65 | 450 | 6-F25 | 300 | 610 | 1931 | 450 | 250 | 390 | 350 | 28 | 12-F23 |
| 250s-39a | 4 | Y250M-4 | 55 | 380 | 930 | 575 | 250 | 550 | 550 | 1417 | 560 | 6-F20 | 590 | 1861 | 350 | |||||||
| 250S-24 | 4 | Y225M-4 | 45 | 380 | 845 | 530 | 225 | 520 | 520 | 1400 | 120 | 450 | 6-F20 | 300 | 590 | 1784 | 350 | 250 | 390 | 350 | 28 | 12-F23 |
| 250S-24A | 4 | Y225S-4 | 37 | 380 | 820 | 530 | 225 | 550 | 550 | 1375 | 1759 | |||||||||||
| 250S-14 | 4 | Y200L-4 | 30 | 380 | 775 | 475 | 200 | 520 | 520 | 1306 | 120 | 450 | 6-F20 | 300 | 590 | 1654 | 350 | 250 | 390 | 350 | 28 | 12-F23 |
| 250S-14A | 4 | Y180M-4 | 18.5 | 380 | 670 | 430 | 180 | 520 | 520 | 1234 | 1549 | |||||||||||
| 300S-32 | 4 | Y280M-4 | 90 | 380 | 1050 | 640 | 280 | 740 | 740 | 1710 | 150 | 560 | 6-F20 | 300 | 690 | 2150 | 350 | 300 | 440 | 400 | 28 | 12-F23 |
| 300S-32A | 4 | Y280S-4 | 75 | 380 | 1000 | 640 | 280 | 740 | 740 | 1660 | 2100 | |||||||||||
| 300S-19 | 4 | Y250M-4 | 55 | 380 | 930 | 575 | 250 | 600 | 600 | 1525 | 165 | 550 | 6-F20 | 300 | 670 | 1922 | 350 | 300 | 440 | 400 | 28 | 12-F23 |
| 300S-19A | 4 | Y225M-4 | 45 | 380 | 845 | 530 | 225 | 590 | 590 | 1460 | 1837 | |||||||||||
| 300S-12 | 4 | Y225S-4 | 37 | 380 | 820 | 530 | 225 | 600 | 600 | 1450 | 165 | 550 | 6-F20 | 670 | 1827 | 350 |
|
|||||
| 300S-12A | 4 | Y200L-4 | 30 | 380 | 775 | 475 | 200 | 580 | 580 | 1415 | 1782 | |||||||||||
| Tipo | C | Motor | Tamaño del motor | E | L | L2 | Brida de tubería gloric | |||||||||||
| tipo de motor | Fuerza (kilovatios) |
Voltaje (V) |
L1 | H | h | B | A | n-φd1 | DG2 | D2 | Do2 | B2 | n-φd2 | |||||
| 150S-100 | 4 | Y280S-2 | 75 | 380 | 1000 | 280 | 640 | 368 | 457 | 4-F24 | 300 | 150 | 280 | 240 | 24 | 8-F23 | ||
| 150S-78 | Y250M-2 | 55 | 380 | 930 | 250 | 575 | 349 | 406 | 4-F24 | 1647.5 | 569 | |||||||
| 150S-78A | Y225M-2 | 45 | 815 | 225 | 530 | 311 | 356 | 4-F19 | 1532.5 | 520 | ||||||||
| 150S-50 | 4 | Y200L2-2 | 37 | 380 | 775 | 200 | 475 | 305 | 318 | 4-F19 | 300 | 1492.5 | 504 | |||||
| 150S-50A | Y200L1-2 | 30 | 775 | 200 | 475 | 305 | 318 | 4-F19 | 1492.5 | 504 | ||||||||
| 150S-50B | Y180M-2 | 22 | 670 | 180 | 430 | 241 | 279 | 4-F15 | 1387.5 | 492 | ||||||||
| 200S-95 | 4 | Y315m-2 | 132 | 380 | 1310 | 315 | 865 | 457 | 508 | 4-F28 | 375 | 2164.5 | 695 | 200 | 335 | 295 | 26 | 8-F23 |
| 200S-95A | Y315S-2 | 110 | 1240 | 315 | 865 | 406 | 508 | 4-F28 | 2094.5 | 695 | ||||||||
| 200S-95B | Y280S-2 | 75 | 1000 | 280 | 640 | 368 | 457 | 4-F24 | 1854.5 | 669 | ||||||||
| 200S-63 | 4 | Y280S-2 | 75 | 380 | 1000 | 280 | 640 | 368 | 457 | 4-F24 | 350 | 1747.5 | 603 | 200 | 335 | 295 | 26 | 8-F23 |
| 200S-63A | Y250M-2 | 55 | 930 | 250 | 575 | 349 | 406 | 4-F24 | 1677.5 | 581 | ||||||||
| 200S-42 | 4 | Y225M-2 | 45 | 380 | 815 | 225 | 530 | 311 | 356 | 4-F19 | 350 | 1562.5 | 532 | 200 | 335 | 295 | 26 | 8-F23 |
| 200S-42A | Y200L2-2 | 37 | 775 | 200 | 475 | 305 | 318 | 4-F19 | 1522.5 | 516 | ||||||||
| 250S-65 | 4 | Y315m-4 | 132 | 380 | 1340 | 315 | 865 | 457 | 508 | 4-F28 | 500 | 2444.5 | 777 | 250 | 390 | 350 | 28 | 12-F23 |
| 250s-65A | Y280M-4 | 90 | 1050 | 280 | 640 | 419 | 457 | 4-F24 | 2154.5 | 721 | ||||||||
| 250S-3g | 4 | Y280S-4 | 75 | 380 | 1000 | 280 | 640 | 368 | 457 | 4-F24 | 300 | 1987.5 | 711 | 250 | 390 | 350 | 28 | 12-F23 |
| 250s-39a | Y250M-4 | 55 | 930 | 250 | 575 | 349 | 406 | 4-F24 | 1917.5 | 689 | ||||||||
| 250S-24 | 4 | Y225M-4 | 45 | 380 | 845 | 225 | 530 | 311 | 356 | 4-F19 | 300 | 1787.5 | 635 | 250 | 390 | 350 | 28 | 12-F23 |
| 250S-24A | Y225S-4 | 37 | 820 | 225 | 530 | 286 | 356 | 4-F19 | 1762.5 | |||||||||
| 250S-14 | 4 | Y200L-4 | 30 | 380 | 775 | 200 | 475 | 305 | 318 | 4-F19 | 1671.5 | 557 | ||||||
| 250S-14A | Y180M-4 | 18.5 | 670 | 180 | 430 | 241 | 279 | 4-F15 | 1566.5 | 545 | ||||||||
| 300S-90 | 5 | Y3554-4 | 315 | 6000 | 1820 | 355 | 780 | 900 | 630 | 4-F28 | 500 | 2998.5 | 949 | 300 | 440 | 400 | 28 | 12-F23 |
| Tipo | C | Motor | Tamaño del motor |
E | L | L2 | Brida de tubería gloric | |||||||||||
| tipo de motor | Fuerza (kilovatios) |
Voltaje (V) |
L1 | H | h | B | A | n-φd1 | DG2 | D₂ | Do2 | B2 | n-φd2 | |||||
| 300S-90A | 5 | Y3553-4 | 280 | 6000 | 1820 | 355 | 780 | 900 | 630 | 4-F28 | 500 | 2998.5 | 949 | 300 | 440 | 400 | 28 | 12-F23 |
| 300S-90B | Y3551-4 | 220 | 1820 | 355 | 780 | 900 | 630 | 4-F28 | 2998.5 | |||||||||
| 300S-58 | 4 | Y315l2-4 | 200 | 380 | 1340 | 315 | 865 | 508 | 508 | 4-F28 | 300 | 2483.5 | 795 | 300 | 440 | 400 | 28 | 12-F23 |
| 300S-58A | Y315l1-4 | 160 | 1340 | 315 | 865 | 508 | 508 | 4-F28 | 2483.5 | |||||||||
| 300S-58B | Y315m-4 | 132 | 1340 | 315 | 865 | 457 | 508 | 4-F28 | 2483.5 | |||||||||
| 300S-32 | 4 | Y280M-4 | 90 | 380 | 1050 | 280 | 640 | 419 | 457 | 4-F24 | 300 | 2153.5 | 714 | 300 | 440 | 400 | 28 | 12-F23 |
| 300S-32A | Y280S-4 | 75 | 1000 | 280 | 640 | 368 | 457 | 4-F24 | 2103.5 | |||||||||
| 300S-19 | 4 | Y250M-4 | 55 | 380 | 930 | 250 | 575 | 349 | 406 | 4-F24 | 300 | 1912.5 | 624 | 300 | 440 | 400 | 28 | 12-F23 |
| 300S-19A | Y225M-4 | 45 | 845 | 225 | 530 | 311 | 356 | 4-F19 | 1827.5 | 605 | ||||||||
| 300S-12 | 4 | Y225S-4 | 37 | 380 | 820 | 225 | 530 | 286 | 356 | 4-F19 | _ | 1832.5 | 620 | _ | _ | _ | _ | _ |
| 300S-12A | Y200L-4 | 30 | 775 | 200 | 475 | 305 | 318 | 4-F19 | 1787.5 | 574 | ||||||||
| 350S-125 | 7 | Y4502-4 | 710 | 6000 | 2080 | 450 | 935 | 1120 | 800 | 4-F35 | 750 | 3517.5 | 1123 | 350 | 520 | 470 | 38 | 16-F25 |
| 350S-125A | Y4501-4 | 630 | 2080 | 450 | 935 | 1120 | 800 | 4-F35 | 3517.5 | 1123 | ||||||||
| 350S-125B | Y4004-4 | 500 | 1940 | 400 | 835 | 1000 | 710 | 4-F35 | 3377.5 | 1103 | ||||||||
| 350S-75 | 5 | Y4001-4 | 355 |
6000 6000 6000 |
1940 | 400 | 835 | 1000 | 710 | 4-F35 | 500 | 3191.5 | 980 | 350 | 500 | 460 | 30 | 16-F23 |
| 350s-75a | Y3553-4 | 280 | 1820 | 355 | 780 | 900 | 630 | 4-F28 | 3071.5 | 960 | ||||||||
| 350s-75B | Y3551-4 | 220 | 1820 | 355 | 780 | 900 | 630 | 4-F28 | 3071.5 | 960 | ||||||||
| 350S-44 | 5 | Y3551-4 | 220 | 6000 | 1820 | 355 | 780 | 900 | 630 | 4-F28 | 300 | 3057.5 | 955 | 350 | 500 | 460 | 30 | 16-F23 |
| 350S-44A | Y315l1-4 | 160 | 380 | 1340 | 315 | 865 | 508 | 508 | 4-F28 | 2577.5 | 856 | |||||||
| 350S-26 | 4 | Y315m-4 | 132 | 380 | 1340 | 315 | 865 | 457 | 508 | 4-F28 | 300 | 2514.5 | 726 | 350 | 500 | 460 | 30 | 16-F23 |
| 350s-26A | Y280M-4 | 90 | 380 | 1050 | 280 | 640 | 419 | 457 | 4-F24 | 2224.5 | 706 | |||||||
| Tipo | C | Motor | Tamaño del motor | E | L | L2 | Brida de tubería gloric | |||||||||||
| tipo de motor | Fuerza (kilovatios) |
Voltaje (V) |
L1 | H | h | B | A | n-φd1 | DG2 | D2 | Do2 | B2 | n-φd2 | |||||
| 350S-16 | 4 | Y280S-4 | 75 | 380 | 1000 | 280 | 640 | 368 | 457 | 4-F24 | _ | 2132.5 | 684 | _ | _ | _ | _ | _ |
| 350S-16A | Y250s-4 | 55 | 380 | 930 | 250 | 575 | 349 | 406 | 4-F24 | 2062.5 | 1169 | |||||||
| 500S-98 | 7 | Y5002-6 | 800 | 6000 | 2550 | 500 | 1040 | 1250 | 900 | 4-F42 | 1000 | 4196.5 | 1354 | 500 | 670 | 620 | 34 | 20-F25 |
| 500S-98A | Y4504-6 | 630 | 6000 | 2120 | 450 | 935 | 1120 | 800 | 4-F35 | 3766.5 | 1234 | |||||||
| 500S-98B | Y4503-6 | 560 | 6000 | 2120 | 450 | 935 | 1120 | 800 | 4-F35 | 3766.5 | 1234 | |||||||
| 500S-59 | 7 | Y4501-6 | 450 | 6000 | 2120 | 450 | 935 | 1120 | 800 | 4-F35 | 800 | 3766.5 | 1229 | 500 | 670 | 620 | 34 | 20-F25 |
| 500S-59A | Y4005-6 | 400 | 6000 | 1940 | 400 | 835 | 1000 | 710 | 4-F35 | 3586.5 | 1169 | |||||||
| 500S-59B | Y4003-6 | 315 | 6000 | 1940 | 400 | 835 | 1000 | 710 | 4-F35 | 3586.5 | 1169 | |||||||
| 500S-35 | 6 | Y4002-6 | 280 | 6000 | 1940 | 400 | 835 | 1000 | 710 | 4-F35 | 800 | 3309.5 | 1017 | 500 | 670 | 620 | 34 | 20-F25 |
| 500S-35A | Y3553-6 | 220 | 6000 | 1820 | 355 | 780 | 900 | 630 | 4-F28 | 3189.5 | 997 | |||||||
| 500S-22 | 6 | Y3553-6 | 220 | 6000 | 1820 | 355 | 780 | 900 | 630 | 4-F28 | 600 | 3221.5 | 1010 | 500 | 670 | 620 | 34 | 20-F25 |
| 500S-22A | Y315l2-6 | 132 | 380 | 1340 | 315 | 865 | 508 | 508 | 4-F28 | 2741.5 | 871 | |||||||
| 500S-13 | 5 | Y315l1-6 | 110 | 380 | 1340 | 315 | 860 | 508 | 508 | 4-F28 | _ | 2653.5 | 815.5 | _ | _ | _ | _ | _ |
| 600S-75 | 7 | Y5003-6 | 900 | 6000 | 2550 | 500 | 1040 | 1250 | 900 | 4-F42 | 600 | 4251.5 | 1292 | 500 | 670 | 620 | 34 | 20-F25 |
| 600S-75A | Y5002-6 | 800 | 6000 | 2550 | 500 | 1040 | 1250 | 900 | 4-F42 | 4251.5 | 1292 | |||||||
| 600S-47 | 7 | Y4503-6 | 560 | 6000 | 2120 | 450 | 935 | 1120 | 800 | 4-F35 | 600 | 3821.5 | 1172 | 500 | 670 | 620 | 34 | 20-F25 |
| 600S-32 | 6 | Y4005-6 | 400 | 6000 | 1940 | 400 | 835 | 1000 | 710 | 4-F35 | _ | 3573.5 | 1053 | _ | _ | _ | _ | _ |
| 600S-32A | Y4002-6 | 280 | 6000 | 1940 | 400 | 835 | 1000 | 710 | 4-F35 | 3555.5 | 1053 | |||||||
| 600S-32B | 6 | Y3554-6 | 250 | 6000 | 1820 | 355 | 780 | 900 | 630 | 4-F32 | _ | 3435.5 | 1013 | _ | _ | _ | _ | _ |
| 600S-22 | Y3554-6 | 250 | 6000 | 1820 | 355 | 780 | 900 | 630 | 4-F32 | 3292.5 | 956 | |||||||
| 600S-22A | Y3553-6 | 220 | 6000 | 1820 | 355 | 780 | 900 | 630 | 4-F28 | 3292.5 | 956 | |||||||
| Tipo | C | Motor | Tamaño del motor | E | L | L2 | Brida de tubería gloric | |||||||||||
| tipo de motor | Fuerza (kilovatios) |
Voltaje (V) |
L1 | H | h | B | A | n-φd1 | DG2 | D2 | Do2 | B2 | n-φd2 | |||||
| 800S-22 | 6 | Y450-8 | 450 | 380 | 2080 | 450 | 1650 | 1120 | 800 | 4-F35 | 800 | 4190 | 1191 | 800 | 1015 | 950 | 42 | 24-F33 |
| Y450-10 | 250 | 2080 | 450 | 1650 | 1120 | 800 | 4-F35 | 4190 | 1191 | |||||||||
| 800S-22A | Y450-8 | 315 | 2080 | 450 | 1650 | 1120 | 800 | 4-F35 | 4190 | 1191 | ||||||||
| Y355l-10 | 185 | 1590 | 355 | 990 | 630 | 610 | 4-F28 | 3700 | 1050 | |||||||||
| Y450-10 | 200 | 2080 | 450 | 1650 | 1120 | 800 | 4-F35 | 4190 | 1191 | |||||||||
| 800S-32 | 7 | Y500-8 | 630 | 6000 | 2220 | 500 | 1900 | 1250 | 900 | 4-F42 | 4530 | 1457 | ||||||
| Y450-10 | 315 | 2080 | 450 | 1650 | 1120 | 800 | 4-F35 | 4390 | 1337 | |||||||||
| 800S-32A | Y450-8 | 450 | 2080 | 450 | 1650 | 1120 | 800 | 4-F35 | 4390 | 1337 | ||||||||
| Y450-10 | 250 | 2080 | 450 | 1650 | 1120 | 800 | 4-F35 | 4390 | 1337 | |||||||||
| 800S-47 | 8 | Y1000-8/1180 | 1000 | 2480 | 930 | 1690 | 1800 | 1400 | 4-F48 | 4990 | 1368 | |||||||
| Y500-10 | 450 | 2220 | 500 | 1900 | 1250 | 900 | 4-F42 | 4730 | 1593 | |||||||||
| 800s-47a | Y500-8 | 710 | 2220 | 500 | 1900 | 1250 | 900 | 4-F42 | 4730 | 1593 | ||||||||
| Y450-10 | 355 | 2080 | 450 | 1650 | 1120 | 800 | 4-F35 | 4590 | 1473 | |||||||||
| 800S-76 | Y1600-8/1430 | 1600 | 2690 | 950 | 1860 | 1900 | 1750 | 4-F48 | 1000 | 4970 | 1423 | |||||||
| Y800-10/1180 | 800 | 2380 | 930 | 1690 | 1700 | 1400 | 4-F48 | 4660 | 1343 | |||||||||
| 800S-76A | Y1250-8/1430 | 1250 | 2540 | 930 | 1860 | 1800 | 1750 | 4-F48 | 4820 | 1373 | ||||||||
| Y500-10 | 630 | 2220 | 500 | 1900 | 1250 | 900 | 4-F42 | 4500 | 1568 | |||||||||
| 800S-76B | Y1000-8/1180 | 1000 | 2480 | 930 | 1690 | 1800 | 1400 | 4-F48 | 4760 | 1343 | ||||||||
| Y500-10 | 500 | 2220 | 500 | 1900 | 1250 | 900 | 4-F42 | 4500 | 1568 | |||||||||
| Tipo | Motor | válvula de pie P=0,25MPa |
filtro de agua (Código) |
Solenoide PAG = 1MPA |
Controlador de el volumen PAG = 1MPA |
vómitos cómicos tubería (código) |
Base (Código) |
B4201 | |
| Tipo | Fuerza (kilovatios) |
llave de gancho | |||||||
| (Código) | |||||||||
| 150S-100 | Y280S-2 | 75 | Φ150 | — | Φ150 | Φ150 | Z100×10-150×10 | 150S100-Y280S-2 | 4552 |
| 150S-78 | Y250M-2 | 55 | Φ150 | — | Φ150 | Φ150 | Z100×10-150×10 | 150S78-Y250M-2 | 4552 |
| 150S-78A | Y225M-2 | 45 | 150S78-Y225M-2 | ||||||
| 150S-50 | Y200L2-2 | 37 | Φ150 | — | Φ150 | Φ150 | Z100×10-150×10 | 150S50-Y200L-2 | 4552 |
| 150S-50A | Y200L1-2 | 30 | |||||||
| 150S-50B | Y180M-2 | 22 | 150S50-Y180M-2 | ||||||
| 200S-95 | Y315m-2 | 132 | Φ200 | — | Φ200 | Φ200 | Z125×10-200×10 | 200S95-y315m-2 | 6872 |
| 200S-95A | Y315S-2 | 110 | 200S95-Y315S-2 | ||||||
| 200S-95B | Y280S-2 | 75 | 200S95-Y280S-2 | ||||||
| 200S-63 | Y280S-2 | 75 | Φ200 | — | Φ200 | Φ200 | Z150×10-200×10 | 200S63-Y280S-2 | 4552 |
| 200S-63A | Y250M-2 | 55 | 200S63-Y250M-2 | ||||||
| 200S-42 | Y225M-2 | 45 | Φ200 | — | Φ200 | Φ200 | Z150×10-200×10 | 200S42-y225m-2 | 4552 |
| 200S-42A | Y200L2-2 | 37 | 200S42-Y200L-2 | ||||||
| 250S-65 | Y315m-4 | 132 | Φ250 | — | Φ250 | Φ250 | Z150×10-250×10 | 250s65-y315m-4 | 7885 |
| 250s-65A | Y280M-4 | 90 | 250S65-Y280M-4 | ||||||
| 250S-39 | Y280S-4 | 75 | Φ250 | Φ250 | Φ250 | Z200×10-250×10 | 250s39-y280s-4 | 6872 | |
| 250s-39a | Y250M-4 | 55 | Φ250 | — | Φ250 | Φ250 | Z200×10-250×10 | D250S-39a-y250m-4 | 6872 |
| 250S-24 | Y225M-4 | 45 | Φ250 | — | Φ250 | Φ250 | Z200×10-250×10 | 250s24-y225m-4 | 6872 |
| 250S-24A | Y225S-4 | 37 | 250s24-y225s-4 | ||||||
| 250S-14 | Y200L-4 | 30 | Φ250 | — | Φ250 | — | Z200×10-250×10 | 250S14-Y200L-4 | 4552 |
| 250S-14A | Y180M-4 | 18.5 | 250S14-Y180M-4 | ||||||
| 300S-90 | Y355l-4 | 315 | Φ300 | — | Φ300 | Φ300 | Z200×10-300×10 | 300S90-Y355L(M) | 9095 |
| 300S-90A | Y355l-4 | 280 | |||||||
| 300S-90B | Y355m-4 | 220 | |||||||
| 300S-58 | Y315l2-4 | 200 | Φ300 | — | Φ300 | Φ300 | Z250×10-300×10 | 300S58-Y315L-4 | 7885 |
| 300S-58A | Y315l1-4 | 160 | |||||||
| 300S-58B | Y315m-4 | 132 | 300S58-Y315M-4 | ||||||
Nota: el cono cilíndrico y la llave de gancho son accesorios de la bomba, se pueden suministrar otros según los requisitos del pedido.
| Tipo | Motor | válvula de pie P=0,25MPa |
filtro de agua (Código) |
Solenoide PAG = 1MPA |
Controlador de el volumen PAG = 1MPA |
vómitos cómicos tubería (código) |
Base (Código) |
B4201 | |
| Tipo | Fuerza (kilovatios) |
llave de gancho | |||||||
| (Código) | |||||||||
| 300S-32 | Y280M-4 | 90 | Φ300 | — | Φ300 | Φ300 | Z250×10-300×10 | 300S32-Y280M-4 | 7885 |
| 300S-32A | Y280S-4 | 75 | 300S32-Y280S-4 | ||||||
| 300S-19 | Y250M-4 | 55 | Φ300 | — | Φ300 | Φ300 | Z250×10-300×10 | 300S19-Y250M-4 | 6872 |
| 300S-19A | Y225M-4 | 45 | 300S19-Y225M-4 | ||||||
| 300S-12 | Y225S-4 | 37 | Φ300 | — | Φ300 | — | — | 300S12-Y225S-4 | 6872 |
| 300S-12A | Y200L-4 | 30 | 300S12-Y200L-4 | ||||||
| 350S-125 | Y4502-4 | 710 | — | L350 (73) |
Φ350 | Φ350 | Z200×16-350×16 | — | 100110 |
| 350S-125A | Y4501-4 | 630 | |||||||
| 350S-125B | Y4004-4 | 500 | |||||||
| 350S-75 | Y4001-4 | 365 | — | L350 (73) |
Φ350 | Φ350 | Z250×10-350×10 | — | 9095 |
| 350s-75a | Y355l-4 | 280 | 350S75-Y355(M)L-4 | ||||||
| 350s-75B | Y355m-4 | 220 | |||||||
| 350S-44 | Y355m-4 | 220 | — | L350 (73) |
Φ350 | Φ350 | Z300×10-350×10 | 350S44-Y355M(L)-4 | 9095 |
| 350S-44A | Y315l1-4 | 160 | 350S44-Y315L-4 | ||||||
| 350S-26 | Y315m-4 | 132 | L350 (73) |
Φ350 | Φ350 | Z300×10-350×10 | 350s26-y315m-4 | 7885 | |
| 350s-26A | Y280M-4 | 90 | 350s26-y280m-4 | ||||||
| 350S-16 | Y280S-4 | 75 | — | L350 (73) |
Φ500 | — | — | 350S16-Y280S-4 | 6872 |
| 350S-16A | Y250M-4 | 55 | 350S16-Y250M-4 | ||||||
| 500S-98 | Y5002-6 | 800 | — | L500 (73) |
Φ500 | Φ500 | — | — | 135145 |
| 500S-98A | Y5001-6 | 710 | |||||||
| 500S-98B | Y4503-6 | 560 | |||||||
| 500S-59 | Y4501-6 | 450 | — | L500 (73) |
Φ500 | Φ500 | Z350×10-500×10 | — |
100110 115130 |
| 500S-59A | Y4005-6 | 400 | |||||||
| 500S-59B | Y4003-6 | 315 | |||||||
| 500S-35 | Y4002-6 | 280 | — | L500 (73) |
Φ500 | Φ500 | Z350×10-500×10 | — | 9095 |
| 500S-35A | Y3553-6 | 220 | |||||||
| 500S-22 | Y3553-6 | 220 | — | L500 (73) |
Φ500 | Φ500 | — | — | 7885 |
| 500S-22A | Y315l2-6 | 132 | 500S22-Y315L-6 | ||||||
Nota: el cono cilíndrico y la llave de gancho son accesorios de la bomba, se pueden suministrar otros según los requisitos del pedido.
| Tipo | Motor | válvula de pie P=0,25MPa |
filtro de agua (Código) |
Solenoide PAG = 1MPA |
Controlador de el volumen PAG = 1MPA |
vómitos cómicos tubería (código) |
Base (Código) |
B4201 | |
| Tipo | Fuerza (kilovatios) |
llave de gancho | |||||||
| (Código) | |||||||||
| 500S-13 | Y355l1-6 | 110 | — | L500 (73) | Φ500 | Φ500 | — | — | 7885 |
| 600S-75 | Y5003-6 | 900 | — | L600 (73) |
Φ500 | Φ500 | Z400×10-500×10 | — | 135145 |
| 600S-75A | Y5002-6 | 800 | |||||||
| 600S-47 | Y4503-6 | 560 | — | L600(73) | Φ500 | Φ500 | Z400×10-500×10 | — | 135145 |
| 600S-32 | Y4005-6 | 400 | — | L600 (73) |
Φ500 | Φ500 | — | — |
100110 115130 |
| 600S-32A | Y4002-6 | 280 | |||||||
| 600S-32B | Y3554-6 | 250 | |||||||
| 600S-22 | Y3554-6 | 250 | — | L600 (73) |
Φ500 | Φ500 | — | — | 9095 |
| 600S-22A | Y3553-6 | 220 | |||||||
| 800S-22 | Y450-8 | 450 | — | L800 | Φ600 | Φ600 | — | — | 9095 |
| Y450-10 | 250 | ||||||||
| 800S-22A | Y450-8 | 315 | |||||||
| Y355l-10 | 185 | ||||||||
| Y450-10 | 200 | ||||||||
| 800S-32 | Y500-8 | 630 | — | L800 | Φ600 | Φ600 | — | — | 100110 |
| Y450-10 | 315 | ||||||||
| 800S-32A | Y450-8 | 450 | |||||||
| Y500-10 | 250 | ||||||||
| 800S-47 | Y1000-8/1180 | 1000 | — | L800 | Φ600 | Φ600 | — | — | 135145 |
| Y500-10 | 450 | ||||||||
| 800s-47a | Y500-8 | 710 | |||||||
| Y450-10 | 355 | ||||||||
| 800S-76 | Y1600-8/1430 | 1600 | — | L800 | Φ800 | Φ800 | — | — | 135145 |
| Y800-10/1180 | 800 | ||||||||
| 800S-76A | Y1250-8/1430 | 1250 | |||||||
| Y500-10 | 630 | ||||||||
| 800S-76B | Y1000-8/1180 | 1000 | |||||||
| Y500-10 | 500 | ||||||||
Nota: el cono cilíndrico y la llave de gancho son accesorios de la bomba, se pueden suministrar otros según los requisitos del pedido.