La bomba de aguas residuales de alto flujo WQU es adecuada para la industria química, industria petrolera, industria farmacéutica, industria minera, industria papelera, plantas de cemento, acerías, plantas de energía, industria de procesamiento de carbón, plantas de tratamiento de aguas residuales urbanas, ingeniería municipal, sitios de construcción y otras industrias. Puede bombear aguas residuales que contienen partículas y agua limpia. Dado que el tamaño máximo del paso de sólidos es de 80 mm, la bomba puede manejar suciedad y desechos con grandes diámetros de partículas, lo que la hace adecuada para el transporte y descarga de aguas residuales. Al bombear aguas residuales, la bomba está equipada con una base engrosada, que tiene una gran salida de agua y puede usarse en varios sistemas de alcantarillado; al bombear agua limpia, la filtración es buena y la vida útil es larga.
| 80 | WQU | 2 | 7.5 |
| Tamaño de salida |
Tipo de bomba |
motor de dos polos |
Fuerza |
| Tamaño de salida (mm) | Tipo de bomba | motor de dos polos | Potencia (kW) |
| Potencia/Potencia | 1,5-7,5 kilovatios |
| Polos/Polos | 2 |
| Calibre/Descarga | DN65-80 |
| Máx. Flujo/caudal máximo | 80m³/h |
| Presión máx./altura máx. | 33metros |
| Paso del suelo | 45mm |
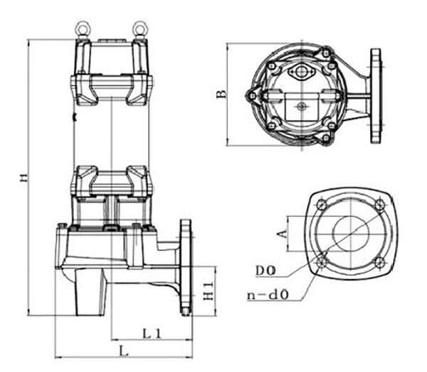
| Tipo Tipo |
Calibre A (mm) |
L (mm) |
L1 (mm) |
B (mm) |
H (mm) |
H1 (mm) |
D0 (mm) |
n-d0 (mm) |
| 50WQU2-1.5 | 50 | 250 | 147 | 186 | 506 | 91 | 110 | 13 |
| 50WQU2-2.2 | 50 | 250 | 147 | 186 | 506 | 91 | 110 | 13 |
| 80(65)WQU2-1.5 | 65 | 250 | 147 | 186 | 506 | 91 | 150 | 18 |
| 80(65)WQU2-2.2 | 65 | 250 | 147 | 186 | 506 | 91 | 150 | 18 |
| 80(65)WQU2-3.7 | 65 | 268 | 161 | 215 | 586 | 91 | 150 | 18 |
| 80(65)WQU2-5.5 | 65 | 320 | 192 | 256 | 627 | 104 | 150 | 18 |
| 80(65)WQU2-7.5 | 65 | 320 | 192 | 256 | 627 | 104 | 150 | 18 |
| 100WQU4-5.5 | 100 | 398 | 231 | 345 | 854 | 104 | 170 | 18 |
| 100WQU4-7.5 | 100 | 398 | 231 | 345 | 854 | 104 | 170 | 18 |
| 150WQU4-7.5 | 150 | 403 | 236 | 345 | 890 | 140 | 225 | 18 |
| TIPO TIPO |
Voltaje Voltaje (V) |
Fuerza | Salida | Saltar tamaño de partícula Saltar tamaño de partícula (mm) |
Clasificación. Fluir Q.rated (m³/h) |
cabeza nominal H.rated (metro) |
Máx. Fluir Q.max (m³/h) |
Máx. Esfuerzo H.max (metro) |
Peso G.W. (kg) |
Tamaño del paquete Tamaño del paquete (cm) |
||
| (kilovatios) | (HP) | (pulgada) | (mm) | |||||||||
| 50WQU2-1.5 | 3F/380V | 1.5 | 2 | 2" | 50 | 50 | 24 | 8.5 | 39 | 14.3 | 36.3 | 58*26*20 |
| 50WQU2-2.2 | 3F/380V | 2.2 | 3 | 2" | 50 | 50 | 20 | 12 | 43 | 16.4 | 37.7 | 58*26*20 |
| 80(65WQU2-1.5 | 3F/380V | 1.5 | 2 | 3"(2,5") | 80(65) | 50 | 24 | 8.5 | 39 | 14.3 | 38.34 | 58*26*20 |
| 80(65)WQU2-2.2 | 3F/380V | 2.2 | 3 | 3"(2,5") | 80(65) | 50 | 20 | 12 | 43 | 16.4 | 39.72 | 58*26*20 |
| 80(65)WQU2-3.7 | 3F/380V | 3.7 | 5 | 3"(2,5") | 80(65) | 50 | 40 | 14 | 64 | 23.5 | 57.34 | 68*29*33 |
| 80(65)WQU2-5.5 | 3F/380V | 5.5 | 7.5 | 3"(2,5") | 80(65) | 50 | 36 | 20 | 74 | 28 | 82.1 | 70*33*26 |
| 80(65)WQU2-7.5 | 3F/380V | 7.5 | 10 | 3"(2,5") | 80(65) | 50 | 36 | 24 | 80 | 33 | 84.2 | 70*33*26 |
| 100WQU4-5.5 | 3F/380V | 5.5 | 7.5 | 4" | 100 | 80 | 60 | 11 | 153 | 14.4 | 164 | 48*43*98 |
| 100WQU4-7.5 | 3F/380V | 7.5 | 10 | 4" | 100 | 80 | 60 | 13 | 160 | 16.5 | 170 | |
| 150WQU4-5.5 | 3F/380V | 5.5 | 7.5 | 6" | 150 | 80 | 70 | 10 | 158 | 14 | 171 | |
| 150WQU4-7.5 | 3F/380V | 7.5 | 10 | 6" | 150 | 80 | 70 | 12 | 165 | 16.1 | 176 | |
Bomba de aguas residuales de acero inoxidable antiobstrucción de corte serie 50WQ(D)S-CF
Bomba de aguas residuales de acero inoxidable WQV
Bomba de aguas residuales de molienda tipo acero inoxidable WQS-G
WQD - Bomba de aguas residuales de hierro fundido para rectificadora C 2P
Bomba de aguas residuales de hierro fundido con trituradora WQ-C 4P
Embrague automático de CA