La bomba centrífuga estándar ZST está diseñada para una larga vida útil, una construcción robusta y componentes de alto rendimiento.
Características estructurales:Tamaño de carcasa de bomba centrífuga estándar EN733
Carcasa de bomba de hierro fundido, conexión por brida
Contrabridas de hierro fundido según ISO 228/1
Rueda: Hierro fundido o acero inoxidable 304
Motor eléctrico: clase de aislamiento F
Clase de protección IP55
● Transporte: hasta 220m³/h
● Nivel del agua: hasta 95 metros
● Bomba: hasta 7 metros
● Temperatura del líquido: - 10°C - 90°C
● Temperatura ambiente: - 10°C - 40°C
● Presión máxima de funcionamiento: 10 bar (PN 10)
Permite el funcionamiento continuo del motor durante mucho tiempo: S1
● Suministro de agua
● Presión
● Riego
●Ciclo de aire acondicionado central
● Suministro de agua contra incendios
● Agua industrial
● Agua para la agricultura
ZST m 32-160/30
● ZST: bomba centrífuga estándar
● m: motor monofásico (se omite el motor trifásico)
● 32: diámetro de salida (mm)
● 160: diámetro del impulsor (mm)
● 30: Potencia nominal (1/10 kW)
|
Modelo |
Fuerza |
l/min |
Flujo Q = entrega |
DN |
|||||||||||||||||||||||
|
0 |
100 |
150 |
250 |
300 |
400 |
450 |
600 |
700 |
800 |
900 |
1200 |
1400 |
1500 |
1800 |
2000 |
2300 |
3000 |
3500 |
|||||||||
|
kilovatios caballos de fuerza |
M³/h |
0 |
6 |
9 |
15 |
18 |
24 |
27 |
36 |
42 |
48 |
54 |
72 |
84 |
90 |
108 |
120 |
138 |
180 |
210 |
milímetros |
||||||
|
32-125/07 |
0.75 |
1 |
Cabeza(m) |
17.5 |
16.7 |
15 |
12 |
9 |
|
|
|
|
|
|
|
|
|
|
|
|
|
|
50×32 |
||||
|
32-125/11 |
1.1 |
1.5 |
22 |
21 |
19.7 |
16.5 |
14.5 |
9 |
|
|
|
|
|
|
|
|
|
|
|
|
|
50×32 |
|||||
|
32-160/15 |
1.5 |
2 |
25.4 |
23.7 |
22.5 |
18.5 |
15.8 |
|
|
|
|
|
|
|
|
|
|
|
|
|
|
50×32 |
|||||
|
32-160/22 |
2.2 |
3 |
31 |
29.6 |
28.5 |
24.5 |
22 |
15 |
|
|
|
|
|
|
|
|
|
|
|
|
|
50×32 |
|||||
|
32-160/30 |
3 |
4 |
35 |
34.3 |
32.5 |
28 |
25.5 |
19 |
15 |
|
|
|
|
|
|
|
|
|
|
|
|
50×32 |
|||||
|
32-200/30 |
3 |
4 |
44.2 |
42 |
39.8 |
35.2 |
32.2 |
24.6 |
19.8 |
|
|
|
|
|
|
|
|
|
|
|
|
50×32 |
|||||
|
32-200/40 |
4 |
5.5 |
54.5 |
52 |
50 |
45.5 |
42.3 |
35 |
30.3 |
|
|
|
|
|
|
|
|
|
|
|
|
50×32 |
|||||
|
32-250/55 |
5.5 |
7.5 |
60 |
59.5 |
59 |
55 |
50.2 |
34.5 |
|
|
|
|
|
|
|
|
|
|
|
|
|
50×32 |
|||||
|
32-250/75 |
7.5 |
10 |
69.5 |
69 |
68.5 |
66 |
63 |
53 |
|
|
|
|
|
|
|
|
|
|
|
|
|
50×32 |
|||||
|
32-250/92 |
9.2 |
12.5 |
75 |
75 |
74.5 |
72 |
69 |
59 |
|
|
|
|
|
|
|
|
|
|
|
|
|
50×32 |
|||||
|
32-250/110 |
11 |
15 |
90 |
89.5 |
88 |
82 |
78 |
66 |
|
|
|
|
|
|
|
|
|
|
|
|
|
50×32 |
|||||
|
32-250/150 |
15 |
20 |
97 |
96.5 |
96 |
90 |
86 |
73 |
|
|
|
|
|
|
|
|
|
|
|
|
|
50×32 |
|||||
|
40-125/11 |
1.1 |
1.5 |
14.7 |
|
|
|
13 |
11.5 |
10.1 |
5.8 |
|
|
|
|
|
|
|
|
|
|
|
65×40 |
|||||
|
40-125/15 |
1.5 |
2.2 |
18.1 |
|
|
|
17 |
15 |
13.9 |
10 |
6 |
|
|
|
|
|
|
|
|
|
|
65×40 |
|||||
|
40-125/22 |
2.2 |
3 |
24.5 |
|
|
|
23.2 |
21.5 |
20.2 |
16 |
13 |
8.3 |
|
|
|
|
|
|
|
|
|
65×40 |
|||||
|
40-160/30 |
3 |
4 |
31.8 |
|
|
|
29.5 |
27.5 |
26.3 |
21.5 |
17.5 |
|
|
|
|
|
|
|
|
|
|
65×40 |
|||||
|
40-160/40 |
4 |
5.5 |
38 |
|
|
|
36 |
34 |
33 |
28.5 |
25 |
20.1 |
|
|
|
|
|
|
|
|
|
65×40 |
|||||
|
40-200/55 |
5.5 |
7.5 |
46 |
|
|
|
43.8 |
41.3 |
40.1 |
35 |
30 |
|
|
|
|
|
|
|
|
|
|
65×40 |
|||||
|
40-200/75 |
7.5 |
10 |
57 |
|
|
|
53.6 |
51.5 |
50 |
45 |
41 |
36.5 |
|
|
|
|
|
|
|
|
|
65×40 |
|||||
|
40-250/92 |
9.2 |
12.5 |
64 |
|
|
|
59 |
56.5 |
55 |
49.5 |
45 |
39.8 |
|
|
|
|
|
|
|
|
|
65×40 |
|||||
|
40-250/110 |
11 |
15 |
72 |
|
|
|
67.5 |
65 |
63.5 |
57.5 |
52.2 |
47 |
|
|
|
|
|
|
|
|
|
65×40 |
|||||
|
40-250/150 |
15 |
20 |
84.5 |
|
|
|
79.3 |
77.3 |
75.2 |
70 |
66 |
61 |
|
|
|
|
|
|
|
|
|
65×40 |
|||||
|
40-250/185 |
18.5 |
25 |
90 |
|
|
|
85.5 |
82.8 |
80.7 |
75.8 |
70.5 |
66.5 |
|
|
|
|
|
|
|
|
|
65×40 |
|||||
|
50-125/22 |
2.2 |
3 |
17 |
|
|
|
|
|
|
15.4 |
14 |
12.8 |
11.5 |
6.5 |
|
|
|
|
|
|
|
65×50 |
|||||
|
50-125/30 |
3 |
4 |
20 |
|
|
|
|
|
|
18.8 |
18 |
17 |
15.6 |
11 |
|
|
|
|
|
|
|
65×50 |
|||||
|
50-125/40 |
4 |
5.5 |
24 |
|
|
|
|
|
|
23.1 |
23 |
21.5 |
20.3 |
15.8 |
11.8 |
|
|
|
|
|
|
65×50 |
|||||
|
50-160/55 |
5.5 |
7.5 |
32 |
|
|
|
|
|
|
30.6 |
30.0 |
28.0 |
26.6 |
20.5 |
14.8 |
|
|
|
|
|
|
65×50 |
|||||
|
50-160/75 |
7.5 |
10 |
40 |
|
|
|
|
|
|
38 |
37 |
36 |
34.4 |
29 |
24 |
21 |
|
|
|
|
|
65×50 |
|||||
|
50-200/92 |
9.2 |
12.5 |
50.5 |
|
|
|
|
|
|
46.8 |
45 |
43 |
40.9 |
32.5 |
26.7 |
|
|
|
|
|
|
65×50 |
|||||
|
50-200/110 |
11 |
15 |
57.5 |
|
|
|
|
|
|
53.5 |
52 |
50 |
47.5 |
40 |
34 |
29 |
|
|
|
|
|
65×50 |
|||||
|
50-200/150 |
15 |
20 |
62 |
|
|
|
|
|
|
58 |
56.5 |
54.5 |
52 |
44.5 |
39 |
35.5 |
|
|
|
|
|
65×50 |
|||||
|
50-250/150 |
15 |
20 |
68.5 |
|
|
|
|
|
|
64 |
63 |
61.5 |
59 |
50 |
41 |
|
|
|
|
|
|
65×50 |
|||||
|
50-250/185 |
18.5 |
25 |
79 |
|
|
|
|
|
|
75.8 |
74.8 |
74 |
71.5 |
63.5 |
55.5 |
47 |
|
|
|
|
|
65×50 |
|||||
|
50-250/220 |
22 |
30 |
89.5 |
|
|
|
|
|
|
86 |
85.3 |
84 |
81.5 |
73.5 |
63.5 |
57 |
|
|
|
|
|
65×50 |
|||||
|
65-125/40 |
4 |
5.5 |
19 |
|
|
|
|
|
|
|
|
17.3 |
16.8 |
14.5 |
13 |
11.8 |
|
|
|
|
|
80×65 |
|||||
|
65-125/55 |
5.5 |
7.5 |
23 |
|
|
|
|
|
|
|
|
21.3 |
20.9 |
19 |
17.5 |
16.7 |
13.7 |
|
|
|
|
80×65 |
|||||
|
65-125/75 |
7.5 |
10 |
27 |
|
|
|
|
|
|
|
|
26 |
25.6 |
24.5 |
23 |
22.5 |
20 |
18 |
|
|
|
80×65 |
|||||
|
65-160/92 |
9.2 |
12.5 |
33 |
|
|
|
|
|
|
|
|
|
31.5 |
30 |
28 |
27.1 |
24 |
21.5 |
|
|
|
80×65 |
|||||
|
65-160/110 |
11 |
15 |
36 |
|
|
|
|
|
|
|
|
|
34.5 |
33 |
31.5 |
30.8 |
28 |
25.5 |
|
|
|
80×65 |
|||||
|
65-160/150 |
15 |
20 |
42 |
|
|
|
|
|
|
|
|
|
41 |
40 |
38.5 |
37.8 |
35 |
33 |
29.5 |
|
|
80×65 |
|||||
|
65-200/150 |
15 |
20 |
45 |
|
|
|
|
|
|
|
|
|
45.5 |
43 |
41 |
40.2 |
36.5 |
34 |
|
|
|
80×65 |
|||||
|
65-200/185 |
18.5 |
25 |
52 |
|
|
|
|
|
|
|
|
|
52.3 |
51 |
49 |
48.2 |
44.5 |
42 |
|
|
|
80×65 |
|||||
|
65-200/220 |
22 |
30 |
59 |
|
|
|
|
|
|
|
|
|
59.5 |
58 |
56 |
55 |
52 |
49.5 |
44.5 |
|
|
80×65 |
|||||
|
65-250/220 |
22 |
30 |
64.8 |
|
|
|
|
|
|
|
|
|
64.7 |
62 |
60 |
58.5 |
53 |
50 |
|
|
|
80×65 |
|||||
|
Modelo |
Fuerza |
l/min |
Flujo Q = entrega |
DN |
||||||||||||||
|
0 |
1000 |
1500 |
2000 |
2400 |
3000 |
3333 |
3500 |
3667 |
4000 |
4667 |
5000 |
6000 |
6667 |
|||||
|
kilovatios |
caballos de fuerza |
M³/h |
0 |
60 |
90 |
120 |
144 |
180 |
200 |
210 |
220 |
240 |
280 |
300 |
360 |
400 |
milímetros |
|
|
80-125/40 |
4 |
5.5 |
Cabeza(m) |
17 |
15 |
12.3 |
7.5 |
|
|
|
|
|
|
|
|
|
|
100×80 |
|
80-125/55 |
5.5 |
7.5 |
21 |
19.6 |
17.4 |
13.4 |
9.5 |
|
|
|
|
|
|
|
|
|
100×80 |
|
|
80-125/75 |
7.5 |
10 |
26 |
24.8 |
23 |
19.5 |
16.5 |
|
|
|
|
|
|
|
|
|
100×80 |
|
|
80-160/110 |
11 |
15 |
28 |
27 |
27.3 |
24.5 |
21.1 |
16 |
|
|
|
|
|
|
|
|
100×80 |
|
|
80-160/150 |
15 |
20 |
34 |
32.6 |
32.5 |
30.2 |
27 |
22.1 |
18.5 |
16.7 |
|
|
|
|
|
|
100×80 |
|
|
80-160/185 |
18.5 |
25 |
39 |
38.5 |
38 |
36.7 |
33.6 |
28.8 |
25.3 |
23.5 |
|
|
|
|
|
|
100×80 |
|
|
80-160/220 |
22 |
30 |
44 |
43.5 |
43 |
41.7 |
38.6 |
33.8 |
30.3 |
28.5 |
|
|
|
|
|
|
100×80 |
|
|
80-200/220 |
22 |
30 |
48 |
47.7 |
47.5 |
43.5 |
39.2 |
32.5 |
27.2 |
24.5 |
|
|
|
|
|
|
100×80 |
|
|
100-160/150 |
15 |
20 |
35 |
33.5 |
32.5 |
30 |
27.8 |
24.5 |
21.5 |
20 |
18.3 |
15 |
|
|
|
|
125×100 |
|
|
100-160/185 |
18.5 |
25 |
38.5 |
37.5 |
36.5 |
34.3 |
32.2 |
29 |
25.7 |
24 |
22 |
18 |
|
|
|
|
125×100 |
|
|
100-160/220 |
22 |
30 |
43 |
41 |
40 |
37.6 |
35.2 |
31.5 |
28.5 |
27 |
25.3 |
22 |
|
|
|
|
125×100 |
|
|
100-200/220 |
22 |
30 |
38.5 |
36.7 |
35.7 |
33.8 |
31.7 |
28.5 |
26.8 |
26 |
25 |
22.9 |
16.3 |
13 |
|
|
125×100 |
|
|
1. Brida de exportación 2. Carcasa de la bomba 3.Wheel 4. Brida importada 5. Teclas planas 6. Sello mecánico 7. Anillo de retención de agua |
8. Conexión 9. junta tórica 10. Motores eléctricos 11. Pierna de apoyo 12. Tapa del ventilador 13. Aficionados 14. Caja de conexiones |























|
MODELO |
DIMENSIONES (mm) |
kilos |
||||||||||||||
|
monofásico |
Tres fases |
DN1 |
DN2 |
a |
f |
h |
h1 |
h2 |
n |
n1 |
n2 |
w1 |
w2 |
S |
1~ |
3~ |
|
32-125/7 |
32-125/7 |
50 |
32 |
80 |
435 |
255 |
114 |
141 |
202 |
140 |
190 |
35 |
35 |
15 |
27 |
24 |
|
32-125/11 |
32-125/11 |
28 |
25 |
|||||||||||||
|
32-160/15 |
32-160/15 |
83 |
470 |
295 |
133 |
162 |
245 |
190 |
245 |
38 |
34 |
|||||
|
32-160/22 |
32-160/22 |
43 |
39 |
|||||||||||||
|
32-160/30 |
32-160/30 |
54 |
50 |
|||||||||||||
|
32-200/30 |
32-200/30 |
82 |
490 |
342 |
161 |
181 |
265 |
240 |
56 |
52 |
||||||
|
|
32-200/40 |
|
53 |
|||||||||||||
|
|
32-250/55 |
88 |
590 |
405 |
186 |
219 |
333 |
250 |
328 |
49 |
49 |
16 |
|
66 |
||
|
|
32-250/75 |
|
73 |
|||||||||||||
|
|
32-250/110 |
|
95 |
|||||||||||||
|
|
32-250/55D |
160 |
610 |
362 |
162 |
200 |
330 |
216 |
280 |
37 |
37 |
14 |
|
73 |
||
|
|
32-250/75D |
|
80 |
|||||||||||||
|
40-125/11 |
40-125/11 |
65 |
40 |
82 |
440 |
260 |
116 |
144 |
220 |
160 |
212 |
15 |
30 |
27 |
||
|
40-125/15 |
40-125/15 |
33 |
29 |
|||||||||||||
|
40-125/22 |
40-125/22 |
38 |
34 |
|||||||||||||
|
40-160/30 |
40-160/30 |
80 |
490 |
305 |
135 |
170 |
250 |
190 |
241 |
52 |
48 |
|||||
|
|
40-160/40 |
|
50 |
|||||||||||||
|
|
40-200/55 |
102 |
560 |
345 |
162 |
193 |
282 |
214 |
267 |
|
66 |
|||||
|
|
40-200/75 |
|
73 |
|||||||||||||
|
|
40-250/92 |
94 |
712 |
415 |
186 |
229 |
327 |
250 |
327 |
49 |
49 |
|
100 |
|||
|
|
40-250/110 |
|
116 |
|||||||||||||
|
|
40-250/150 |
|
146 |
|||||||||||||
|
50-125/22 |
50-125/22 |
50 |
102 |
525 |
305 |
135 |
170 |
263 |
190 |
245 |
37 |
37 |
45 |
41 |
||
|
50-125/30 |
50-125/30 |
54 |
50 |
|||||||||||||
|
|
50-125/40 |
|
52 |
|||||||||||||
|
|
50-160/55 |
110 |
560 |
348 |
164 |
193 |
270 |
212 |
262 |
|
64 |
|||||
|
|
50-160/75 |
|
71 |
|||||||||||||
|
|
50-200/92 |
104 |
722 |
392 |
186 |
206 |
307 |
232 |
310 |
|
90 |
|||||
|
|
50-200/110 |
|
106 |
|||||||||||||
|
|
50-250/150 |
102 |
720 |
416 |
186 |
230 |
330 |
250 |
327 |
49 |
49 |
|
145 |
|||
|
|
50-250/185 |
|
153 |
|||||||||||||
|
|
50-250/220 |
|
183 |
|||||||||||||
|
|
65-125/40 |
80 |
65 |
104 |
580 |
345 |
162 |
193 |
275 |
212 |
280 |
|
56 |
|||
|
|
65-125/55 |
|
68 |
|||||||||||||
|
|
65-125/75 |
|
74 |
|||||||||||||
|
|
65-160/92 |
110 |
730 |
425 |
186 |
239 |
330 |
232 |
309 |
|
90 |
|||||
|
|
65-160/110 |
|
106 |
|||||||||||||
|
|
65-160/150 |
|
134 |
|||||||||||||
|
|
65-200/150 |
111 |
740 |
240 |
|
140 |
||||||||||
|
|
65-200/185 |
|
145 |
|||||||||||||
|
|
65-200/220 |
|
185 |
|||||||||||||
|
|
80-125/40 |
100 |
80 |
117 |
750 |
357 |
163 |
194 |
212 |
280 |
|
56 |
||||
|
|
80-125/55 |
|
68 |
|||||||||||||
|
|
80-125/75 |
|
74 |
|||||||||||||
|
|
80-160/110 |
88 |
435 |
186 |
250 |
255 |
332 |
|
113 |
|||||||
|
|
80-160/150 |
|
143 |
|||||||||||||
|
|
80-160/185 |
|
150 |
|||||||||||||
|
|
100-160/150 |
125 |
100 |
130 |
765 |
345 |
262 |
340 |
55 |
55 |
16 |
|
143 |
|||
|
|
100-160/185 |
|
150 |
|||||||||||||
|
|
100-160/220 |
|
183 |
|||||||||||||
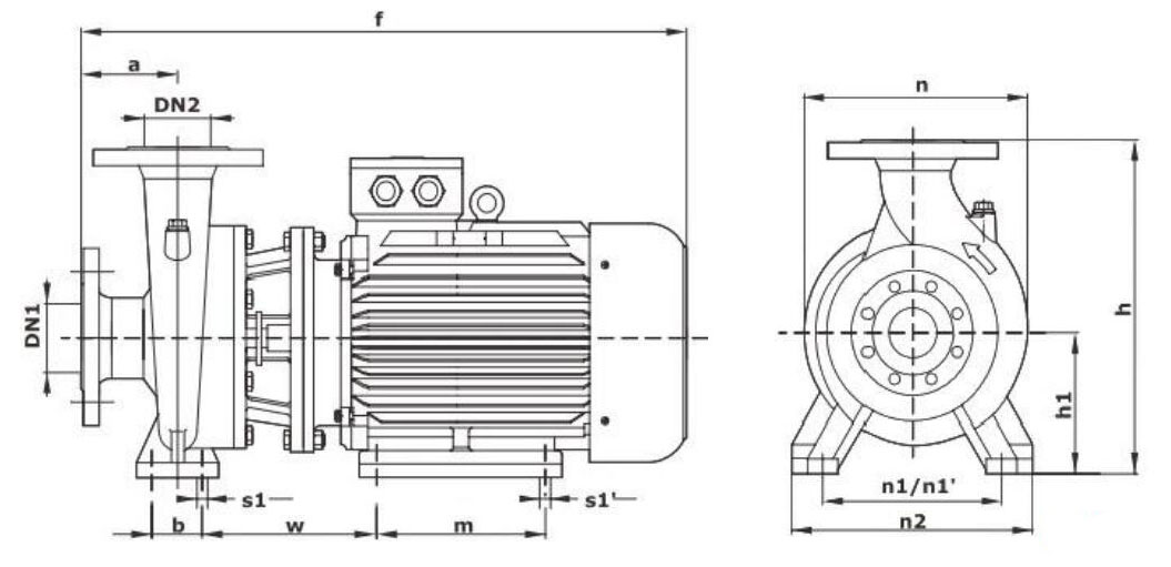
n1 : Lado de la bomba/Lado de la bomba
n1': motor eléctrico LADO
|
Modelo 0 Tres fases |
Tamaño mm |
kilos |
||||||||||||||
|
DN1 |
DN2 |
a |
f |
h |
h1 |
n |
n1 |
n1' |
n2 |
b |
W |
m |
s1 |
s1' |
3~ |
|
|
65-250/220 |
80 |
65 |
116 |
870 |
420 |
180 |
369 |
260 |
279 |
320 |
70 |
246 |
241 |
18 |
15 |
210 |
|
65-250/300 |
990 |
456 |
195 |
250 |
318 |
327 |
293 |
305 |
19 |
230 |
||||||
|
65-250/370 |
240 |
|||||||||||||||
|
80-200/220 |
100 |
80 |
118 |
880 |
460 |
250 |
360 |
310 |
279 |
260 |
95 |
258 |
20 |
212 |
||
|
80-200/300 |
950 |
318 |
246 |
241 |
15 |
222 |
||||||||||
|
80-250/370 |
130 |
537 |
490 |
310 |
228 |
305 |
19 |
245 |
||||||||
|
80-250/450 |
980 |
356 |
229 |
311 |
385 |
|||||||||||
|
80-250/550 |
1160 |
406 |
363 |
349 |
24 |
497 |
||||||||||
|
100-200/220 |
125 |
100 |
140 |
910 |
530 |
225 |
422 |
324 |
279 |
402 |
115 |
256 |
305 |
18 |
15 |
217 |
|
100-200/300 |
1025 |
318 |
248 |
241 |
227 |
|||||||||||
|
100-200/370 |
250 |
|||||||||||||||
|
100-250/450 |
1000 |
580 |
250 |
418 |
310 |
356 |
402 |
95 |
224 |
311 |
20 |
19 |
390 |
|||
|
100-250/550 |
1180 |
406 |
325 |
349 |
20 |
503 |
||||||||||
|
100-250/750 |
1250 |
280 |
436 |
535 |
||||||||||||
|
DN |
D milímetros |
K milímetros |
Agujero |
|
|
N |
φmm |
|||
|
32 |
140 |
100 |
4 |
18 |
|
40 |
150 |
110 |
||
|
50 |
165 |
125 |
||
|
65 |
185 |
145 |
||
|
80 |
200 |
160 |
8 |
|
|
100 |
220 |
180 |
||
|
125 |
250 |
210 |
||
|
Serie |
Bomba |
Descarga electrica |
Tubería recomendada recomiendo el club |
|
|
Bomba |
Descarga electrica |
|||
|
32 |
50mm |
32mm |
2½"-3" |
2"-2½" |
|
40 |
65mm |
40mm |
3"-4" |
2½"-3" |
|
50 |
65mm |
50mm |
4” |
3” |
|
65 |
80mm |
65mm |
5" |
4" |
|
80 |
100mm |
80mm |
6" |
5" |
|
100 |
125mm |
100mm |
8" |
6” |